Auto Electronics 101
  • Home
  • FORUM
  • Shopping Cart
  • Support

Login Form

  • Forgot your password?
  • Forgot your username?
  • Create an account

Main Menu

  • Automotive Repair Help
  • Electronics Repair Help
  • Locksmith Repair Help
  • Misc. Educational Material
  • Bench, Boot & In-Circuit Pinouts
  • Benchtop Power-up Pinouts
  • BIN File Decoding
  • Circuit Schematics
  • YouTube Public Playlists
  • Wiring Diagrams
    • Acura, Honda
    • Chrysler, Dodge, Jeep
    • Ford, Lincoln, Mercury
    • General Motors
    • Infiniti, Nissan, Subaru
    • Large Trucks
    • Mazda, Mazda USA
    • Mitsubishi

Web Shop

  • Electrical Components
  • J2534 Calibration Files
  • KESS Recovery Files
  • Memory Dumps
  • VMWare (Premade VMS)
  • PC Apps & Docs
  • Tools & Supplies

  1. You are here:  
  2. Wiring Diagrams
  3. Chrysler, Dodge, Jeep
  4. Dodge Ram 1996 wiring diagrams

Dodge Ram 1996 wiring diagrams

Parent Category: Wiring Diagrams
Category: Chrysler, Dodge, Jeep
  • wiring
  • dodge
  • ram

AIR CONDITIONING-HEATER 1 HEATER ONLY-1
AIR CONDITIONING-HEATER 2-1
AIR CONDITIONING-HEATER 3-1
AIR CONDITIONING-HEATER 4-1
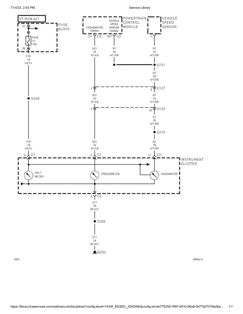
AIRBAG SYSTEM-1
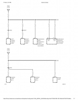
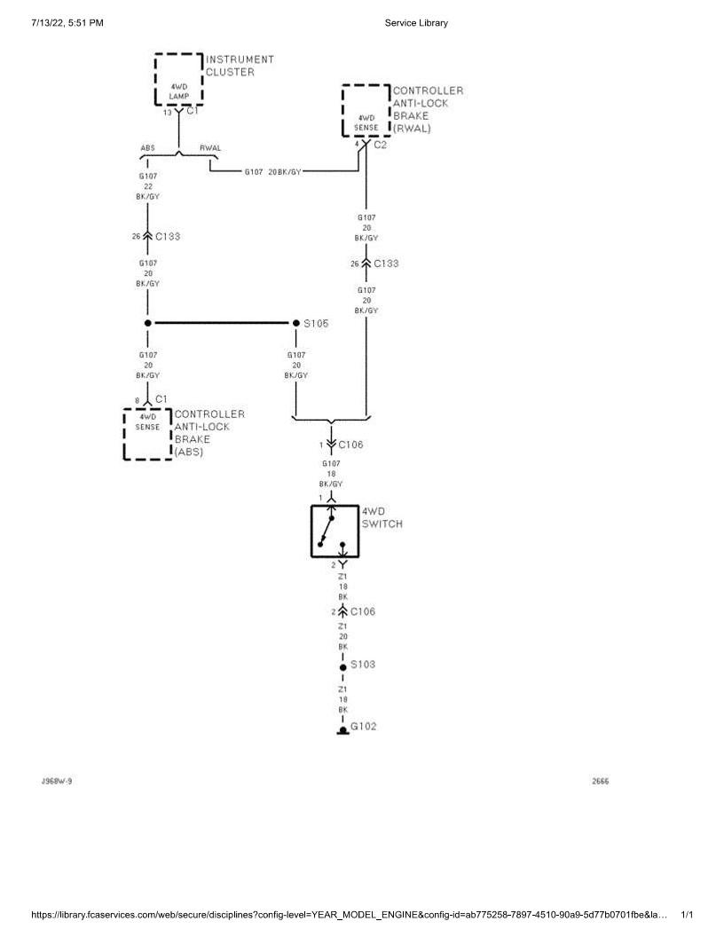
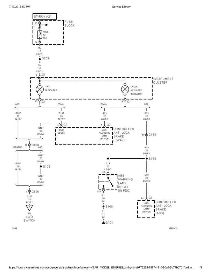
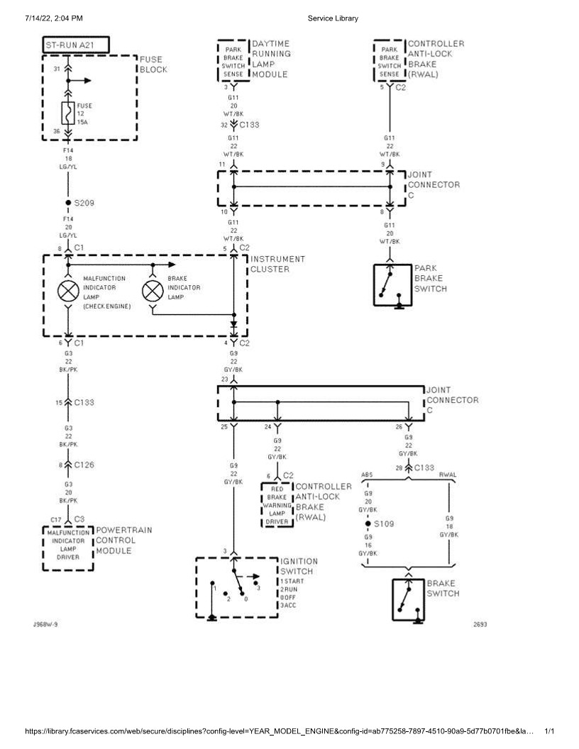
ALL WHEEL ANTI-LOCK BRAKES 1-1
ALL WHEEL ANTI-LOCK BRAKES 2-1
ALL WHEEL ANTI-LOCK BRAKES 3-1
ALL WHEEL ANTI-LOCK BRAKES 4-1
ALL WHEEL ANTI-LOCK BRAKES 5-1
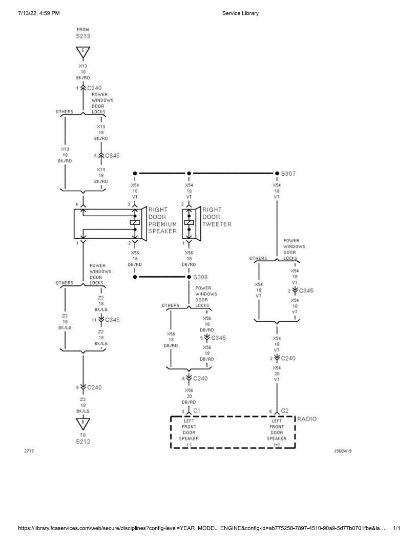
AUDIO SYSTEM 1 PREMIUM RADIO-1
AUDIO SYSTEM 2 PREMIUM RADIO-1
AUDIO SYSTEM 3-1
AUDIO SYSTEM 4 PREMIUM RADIO-1
AUDIO SYSTEM 5-1
AUDIO SYSTEM 6 STANDARD RADIO-1
CHARGING SYSTEM 1 GAS ENGINE-1
CHARGING SYSTEM 2 DIESEL ENGINE-1
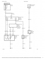
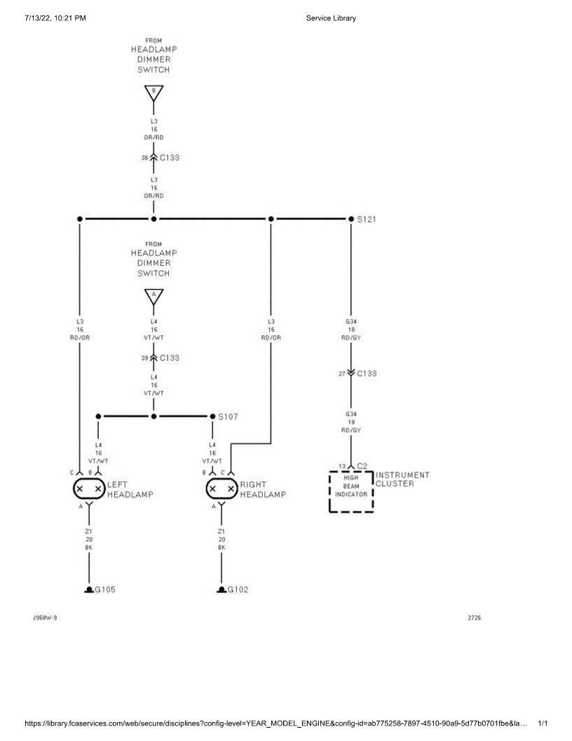
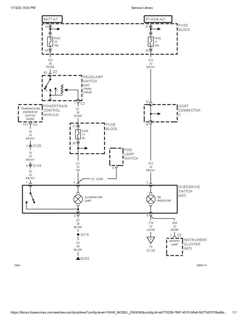
FRONT LIGHTING 1-1
FRONT LIGHTING 2-1
FRONT LIGHTING 3-1
FRONT LIGHTING 4-1
FRONT LIGHTING 5-1
FRONT LIGHTING 6-1
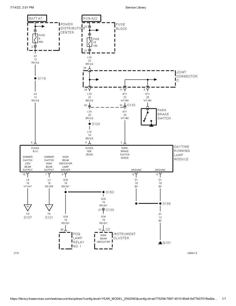
FRONT LIGHTING 7 DRL-1
FRONT LIGHTING 8 DRL-1
FUSE BLOCK 1-1
FUSE BLOCK 10-1
FUSE BLOCK 11-1
FUSE BLOCK 12-1
FUSE BLOCK 13-1
FUSE BLOCK 14-1
FUSE BLOCK 15-1
FUSE BLOCK 16-1
FUSE BLOCK 2 DIESEL ENGINE-1
FUSE BLOCK 3 GAS ENGINE-1
FUSE BLOCK 4-1
FUSE BLOCK 5-1
FUSE BLOCK 6-1
FUSE BLOCK 7-1
FUSE BLOCK 8-1
FUSE BLOCK 9-1
FUSE BLOCK CIRCUIT FUNCTION A-1
FUSE BLOCK CIRCUIT FUNCTION B-1
FUSE BLOCK LAYOUT-1
GROUND DISTRIBUTION 1-1
GROUND DISTRIBUTION 10 DIESEL ENGINE-1
GROUND DISTRIBUTION 11 GAS ENGINE-1
GROUND DISTRIBUTION 12-1
GROUND DISTRIBUTION 13-1
GROUND DISTRIBUTION 14-1
GROUND DISTRIBUTION 16-1
GROUND DISTRIBUTION 2-1
GROUND DISTRIBUTION 3-1
GROUND DISTRIBUTION 4-1
GROUND DISTRIBUTION 5-1
GROUND DISTRIBUTION 6-1
GROUND DISTRIBUTION 7-1
GROUND DISTRIBUTION 8-1
GROUND DISTRIBUTION 9 GAS ENGINE-1
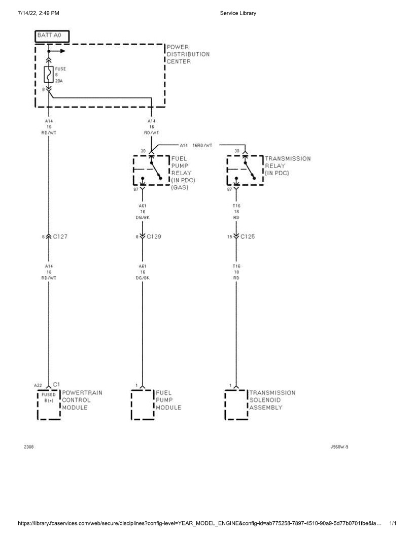
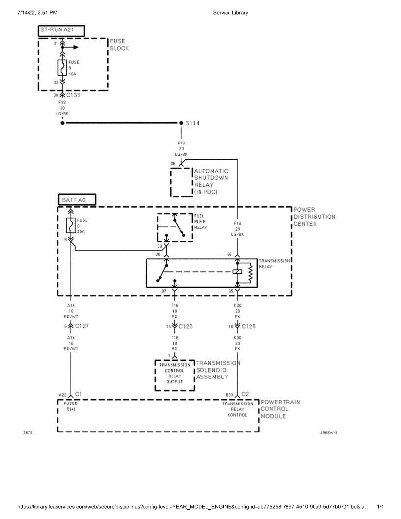
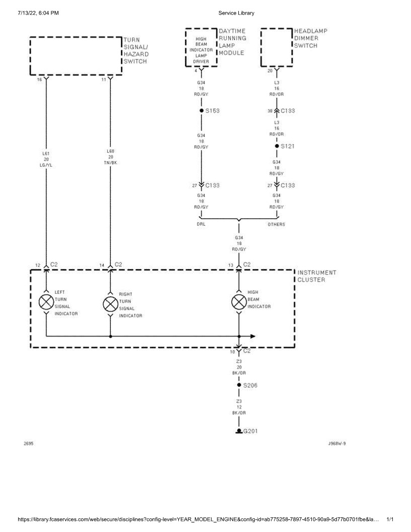
INSTRUMENT CLUSTER 1-1
INSTRUMENT CLUSTER 2-1
INSTRUMENT CLUSTER 3-1
INSTRUMENT CLUSTER 4-1
INSTRUMENT CLUSTER 5-1
INSTRUMENT CLUSTER 6-1
INSTRUMENT CLUSTER 7-1
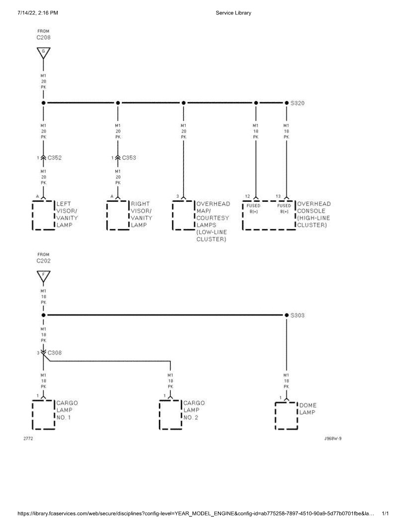
INTERIOR LIGHTING 1-1
INTERIOR LIGHTING 2-1
INTERIOR LIGHTING 3-1
INTERIOR LIGHTING 4-1
MESSAGE CENTER-1
OVERHEAD CONSOLE 1-1
OVERHEAD CONSOLE 2-1
OVERHEAD CONSOLE 3-1
OVERHEAD CONSOLE 4-1
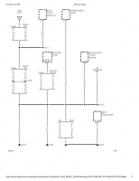
POWER DISTRIBUTION 1-1
POWER DISTRIBUTION 10-1
POWER DISTRIBUTION 11-1
POWER DISTRIBUTION 12-1
POWER DISTRIBUTION 13-1
POWER DISTRIBUTION 14-1
POWER DISTRIBUTION 15-1
POWER DISTRIBUTION 2-1
POWER DISTRIBUTION 3-1
POWER DISTRIBUTION 4-1
POWER DISTRIBUTION 5-1
POWER DISTRIBUTION 6-1
POWER DISTRIBUTION 7-1
POWER DISTRIBUTION 9-1
POWER DISTRIBUTION CIRCUIT FUNCTION A-1
POWER DISTRIBUTION CIRCUIT FUNCTION B-1
POWER DISTRIBUTION CIRCUIT FUNCTION C-1
POWER DISTRIBUTION CIRCUIT FUNCTION D-1
POWER DISTRIBUTION LAYOUT-1
POWER MIRRORS 1-1
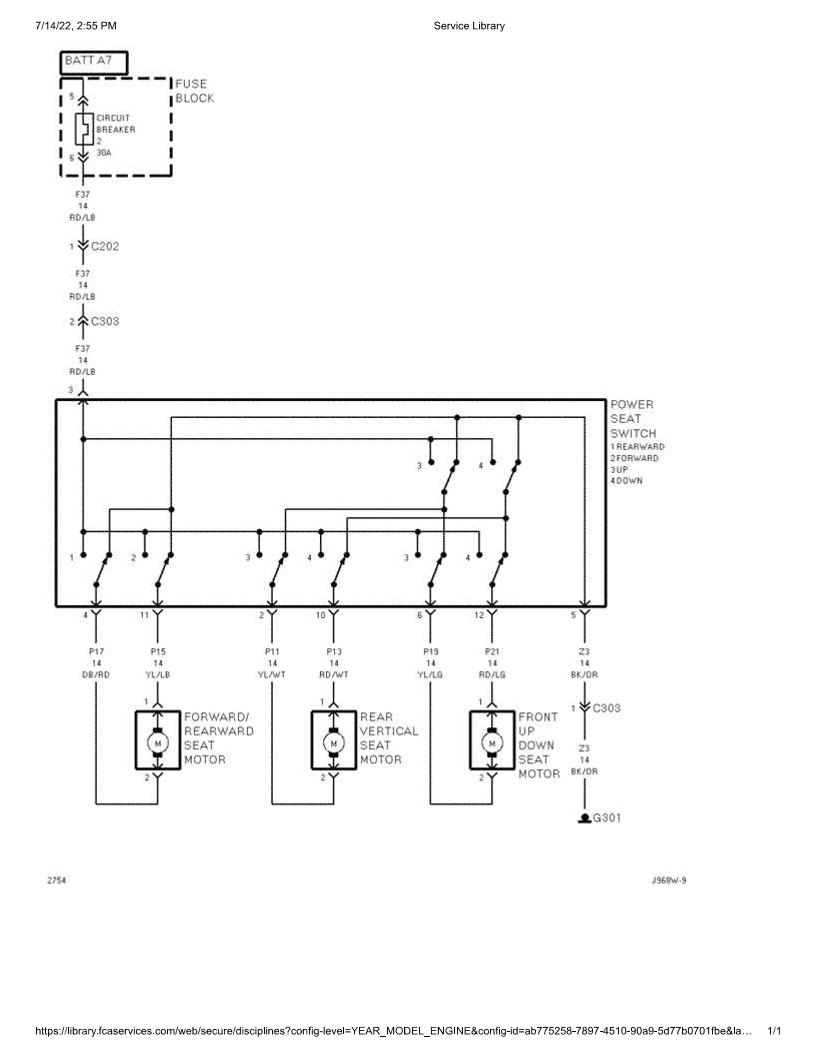
POWER SEAT 1-1
POWER WINDOWS 1-1
POWER WINDOWS 2-1
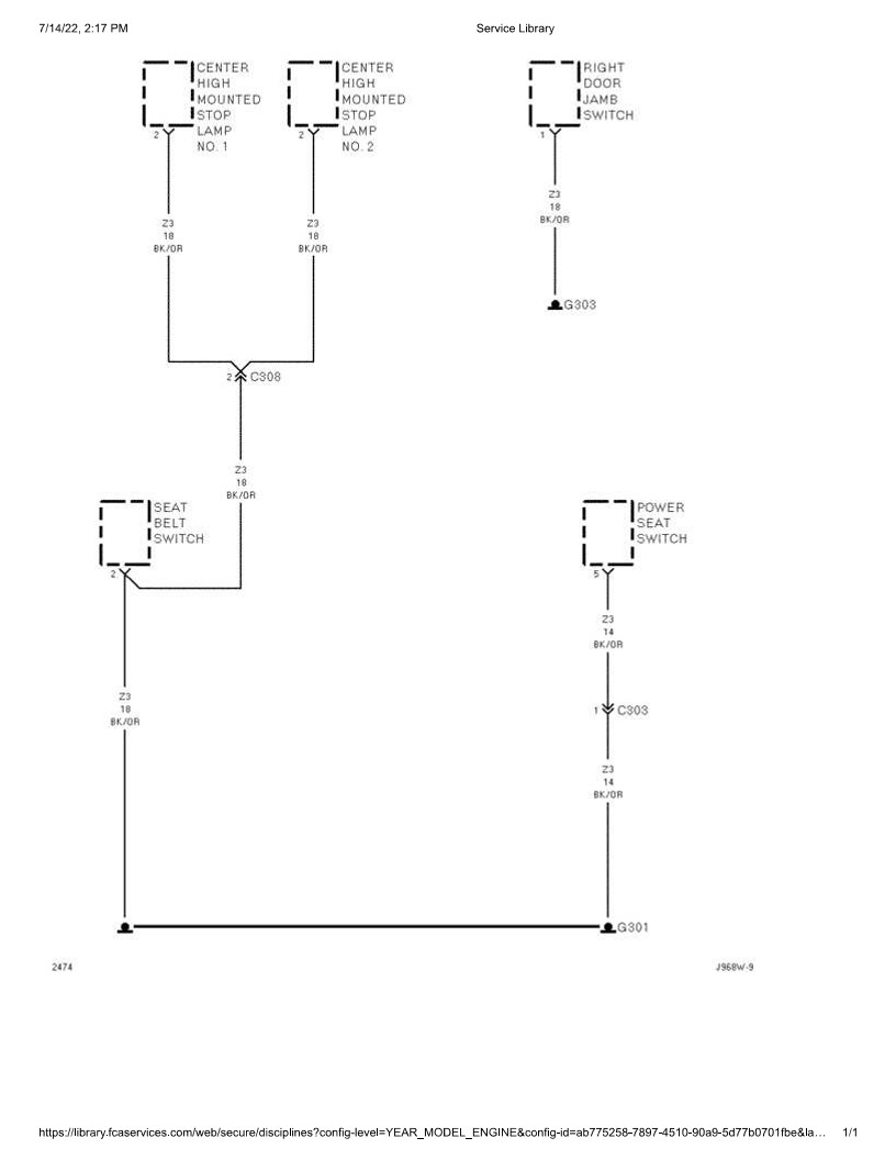
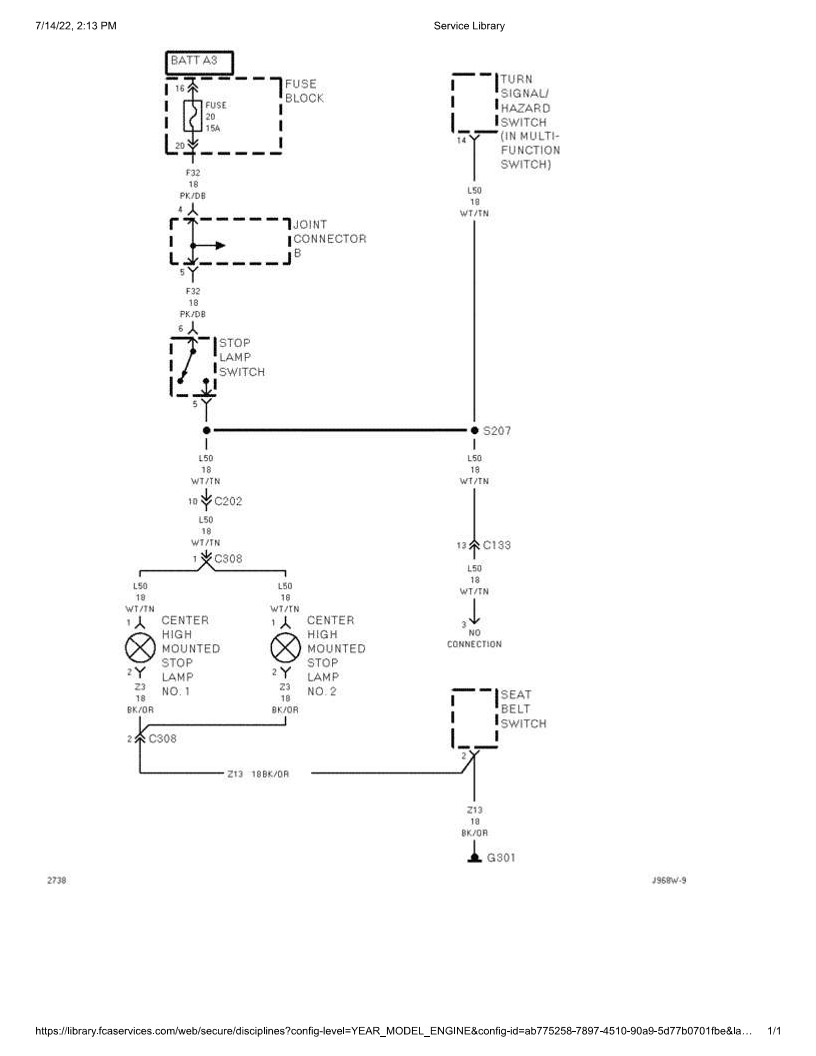
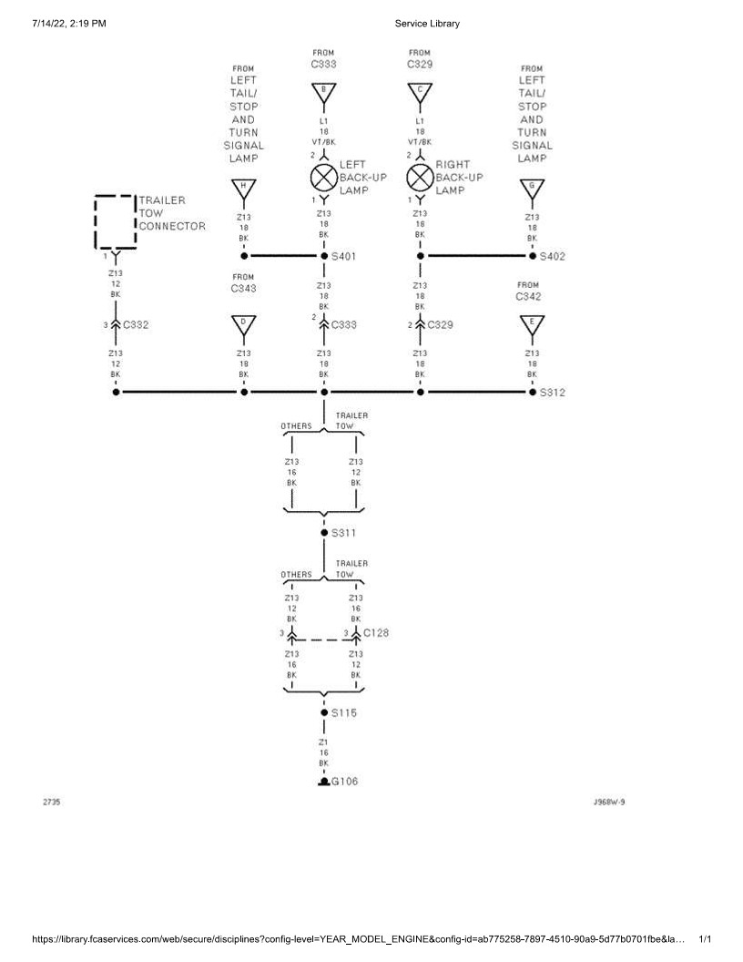
REAR LIGHTING 1-1
REAR LIGHTING 2-1
REAR LIGHTING 3-1
REAR LIGHTING 4 DUAL REAR WHEELS-1
REAR LIGHTING 5-1
REAR LIGHTING 6-1
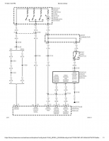
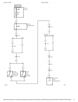
REAR WHEEL ANTI-LOCK BRAKES 1-1
REAR WHEEL ANTI-LOCK BRAKES 2-1
REAR WHEEL ANTI-LOCK BRAKES 3-1
SPLICE INFORMATION 1-1
SPLICE INFORMATION 10-1
SPLICE INFORMATION 2-1
SPLICE INFORMATION 3-1
SPLICE INFORMATION 4-1
SPLICE INFORMATION 5-1
SPLICE INFORMATION 6-1
SPLICE INFORMATION 7-1
SPLICE INFORMATION 8-1
SPLICE INFORMATION 9-1
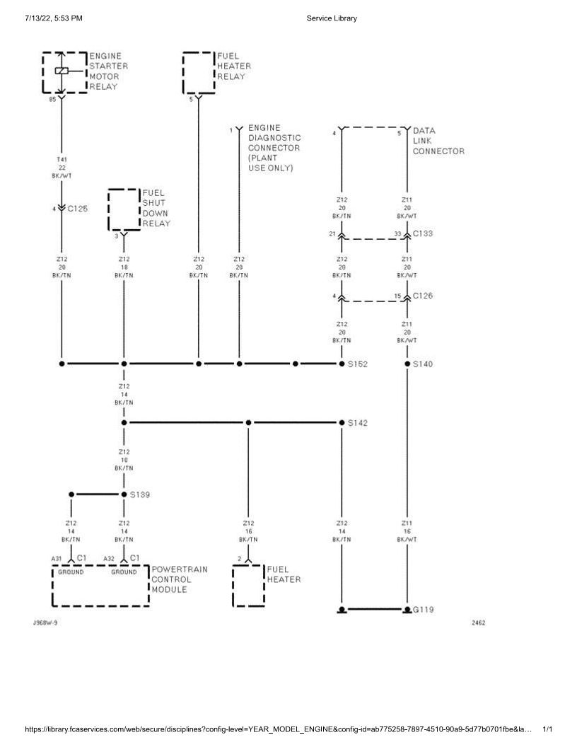
STARTING SYSTEM 1 GAS ENGINE-1
STARTING SYSTEM 2 DIESEL ENGINE-1
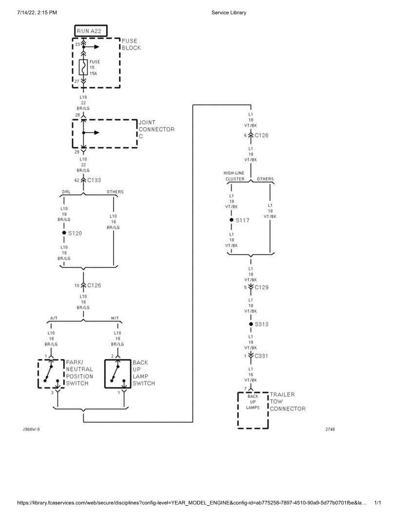
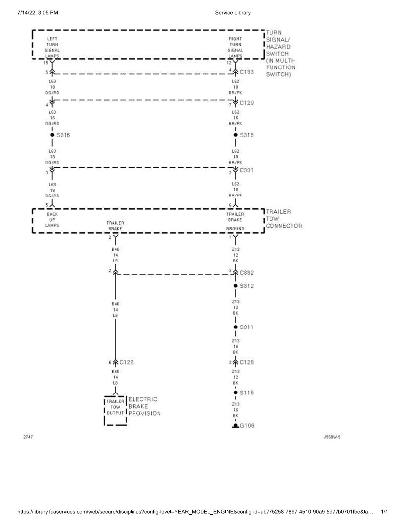
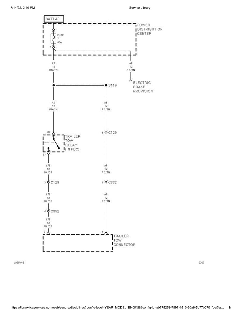
TRAILER TOW 1-1
TRAILER TOW 2-1
TRAILER TOW 3-1
TRAILER TOW 4-1
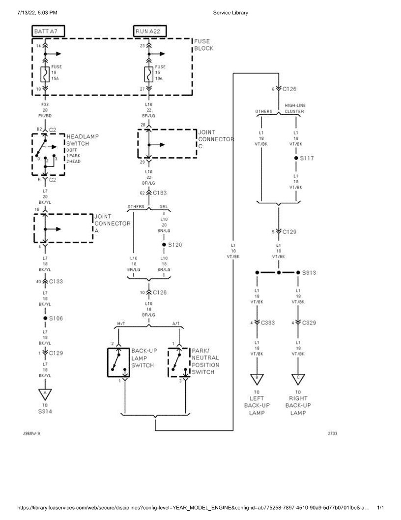
TRANSMISSION CONTROL SYSTEM 1-1
TRANSMISSION CONTROL SYSTEM 3-1
TRANSMISSION CONTROL SYSTEM 4-1
TURN SIGNALS 1-1
TURN SIGNALS 2-1
TURN SIGNALS 3-1
VEHICLE SPEED CONTROL 1-1
VEHICLE SPEED CONTROL 2-1
WIPERS 1-1
WIPERS 2-1