Auto Electronics 101
  • Home
  • FORUM
  • Shopping Cart
  • Support

Login Form

  • Forgot your password?
  • Forgot your username?
  • Create an account

Main Menu

  • Automotive Repair Help
  • Electronics Repair Help
  • Locksmith Repair Help
  • Misc. Educational Material
  • Bench, Boot & In-Circuit Pinouts
  • Benchtop Power-up Pinouts
  • BIN File Decoding
  • Circuit Schematics
  • YouTube Public Playlists
  • Wiring Diagrams
    • Acura, Honda
    • Chrysler, Dodge, Jeep
    • Ford, Lincoln, Mercury
    • General Motors
    • Infiniti, Nissan, Subaru
    • Large Trucks
    • Mazda, Mazda USA
    • Mitsubishi

Web Shop

  • Electrical Components
  • J2534 Calibration Files
  • KESS Recovery Files
  • Memory Dumps
  • VMWare (Premade VMS)
  • PC Apps & Docs
  • Tools & Supplies

  1. You are here:  
  2. Wiring Diagrams
  3. Chrysler, Dodge, Jeep
  4. Dodge Ram 1997 wiring diagrams

Dodge Ram 1997 wiring diagrams

Parent Category: Wiring Diagrams
Category: Chrysler, Dodge, Jeep
  • wiring
  • diagrams

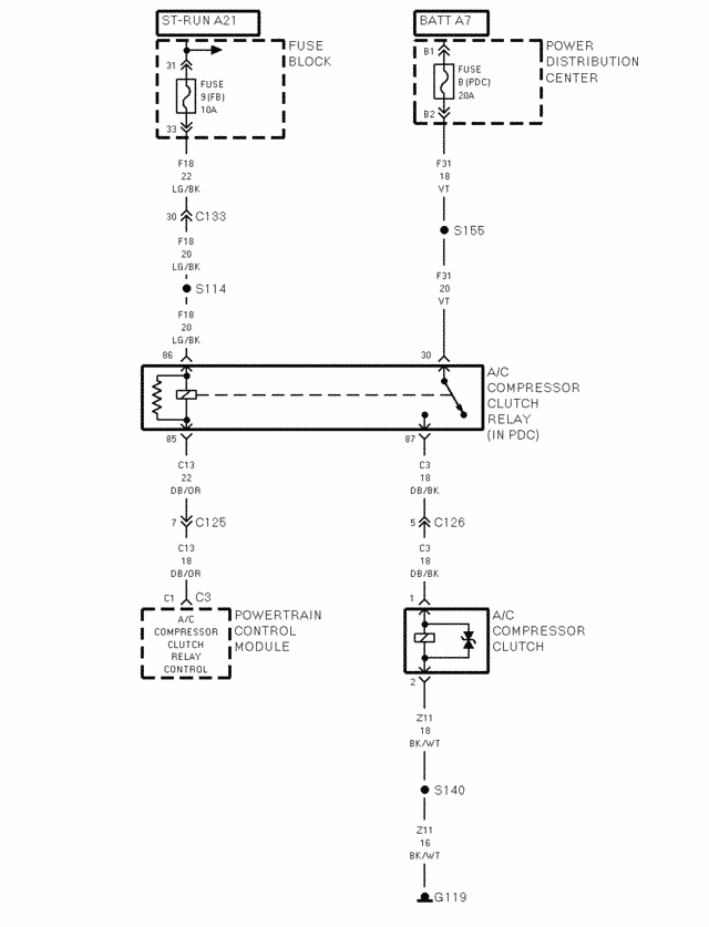
AIR CONDITIONING-HEATER 1
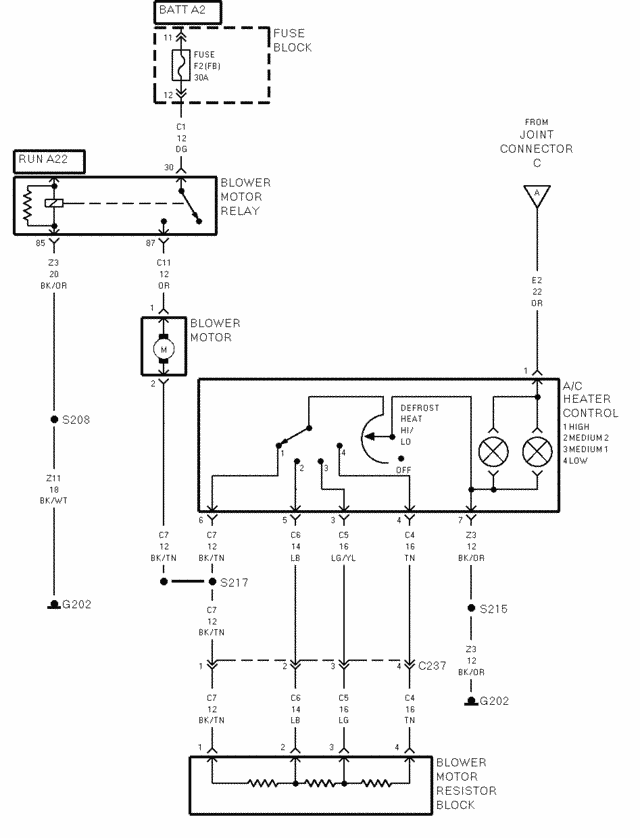
AIR CONDITIONING-HEATER 2
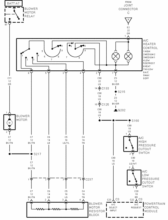
AIR CONDITIONING-HEATER 3 HEATER ONLY
AIR CONDITIONING-HEATER 4
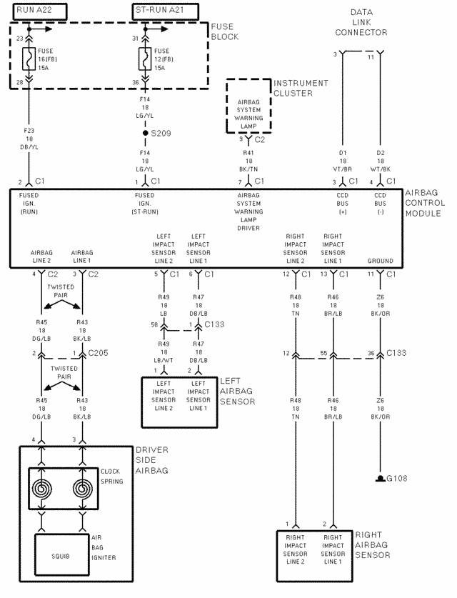
AIRBAG SYSTEM
ALL WHEEL ANTI-LOCK BRAKES 1
ALL WHEEL ANTI-LOCK BRAKES 2
ALL WHEEL ANTI-LOCK BRAKES 3
ALL WHEEL ANTI-LOCK BRAKES 4
ALL WHEEL ANTI-LOCK BRAKES 5
ALL WHEEL ANTI-LOCK BRAKES 6
ALL WHEEL ANTI-LOCK BRAKES 7
AUDIO SYSTEM 1 STANDARD RADIO
AUDIO SYSTEM 2 STANDARD
AUDIO SYSTEM 3
AUDIO SYSTEM 4
AUDIO SYSTEM 5
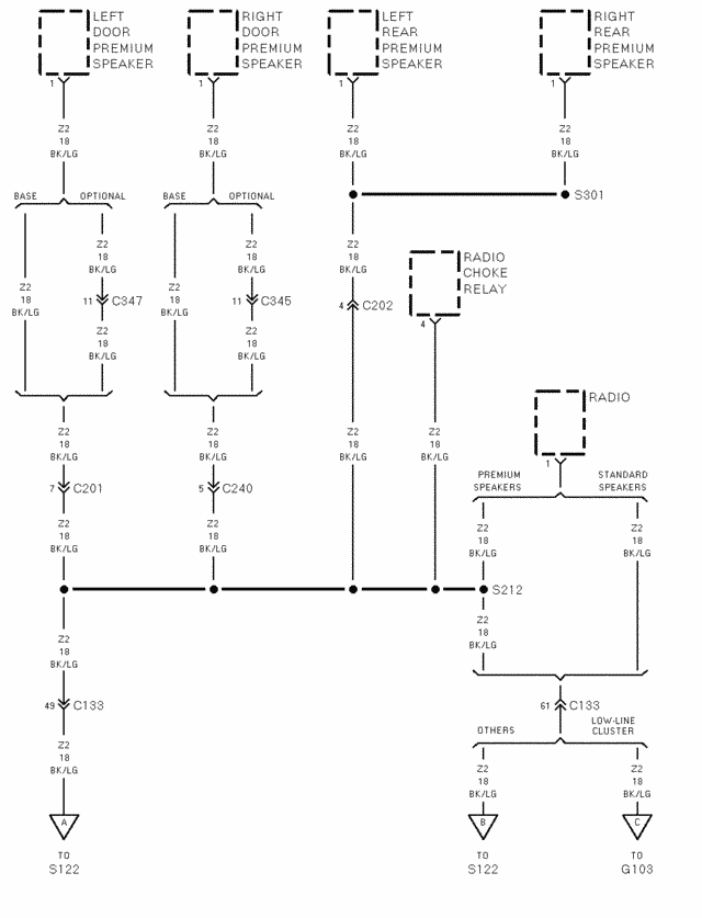
AUDIO SYSTEM 6 PREMIUM RADIO
AUDIO SYSTEM 7 PREMIUM RADIO
AUDIO SYSTEM 8 PREMIUM RADIO
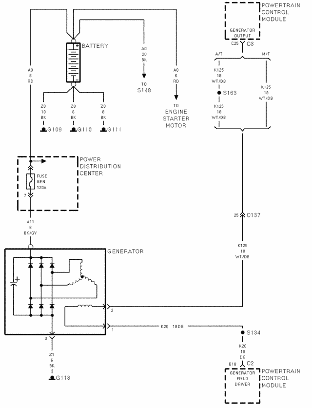
CHARGING SYSTEM 1 DIESEL ENGINE
CHARGING SYSTEM 2 GAS ENGINE
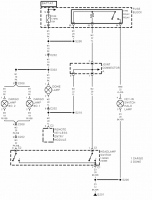
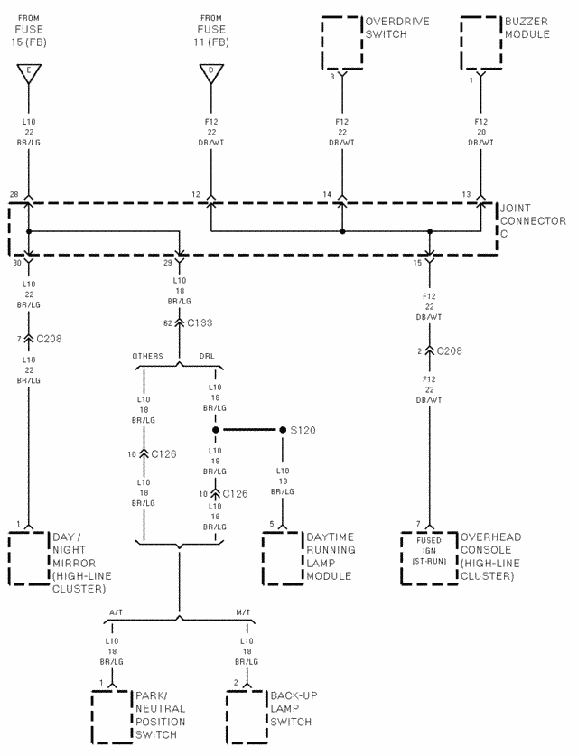
FRONT LIGHTING 1
FRONT LIGHTING 2
FRONT LIGHTING 3
FRONT LIGHTING 4
FRONT LIGHTING 5
FRONT LIGHTING 6
FRONT LIGHTING 7 DRL
FRONT LIGHTING 8 DRL
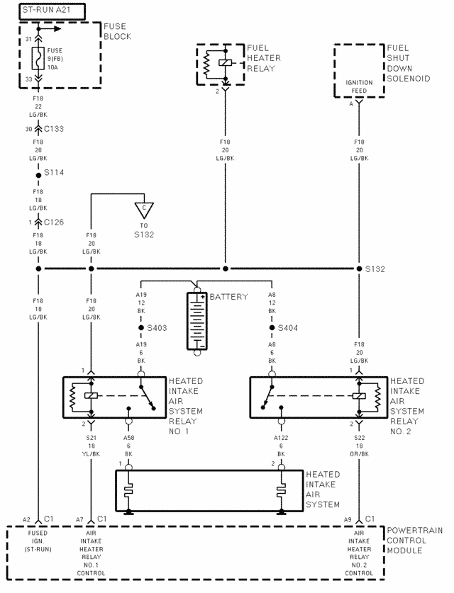
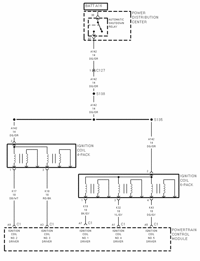
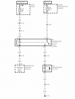
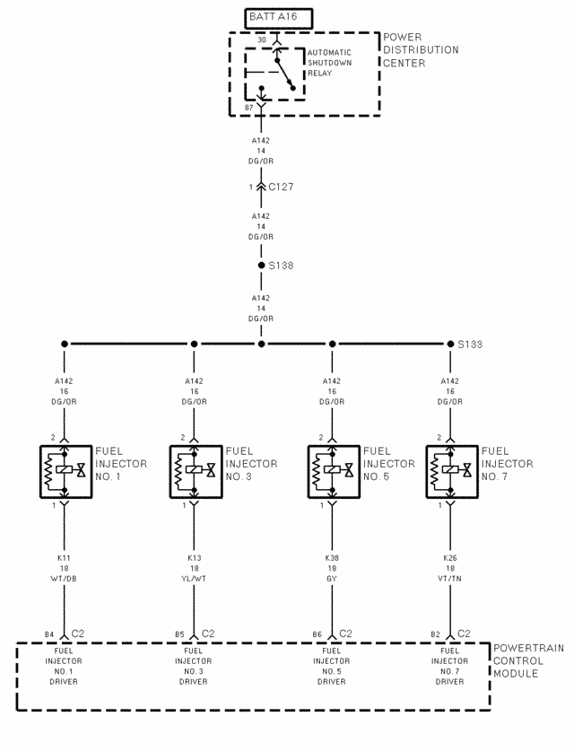
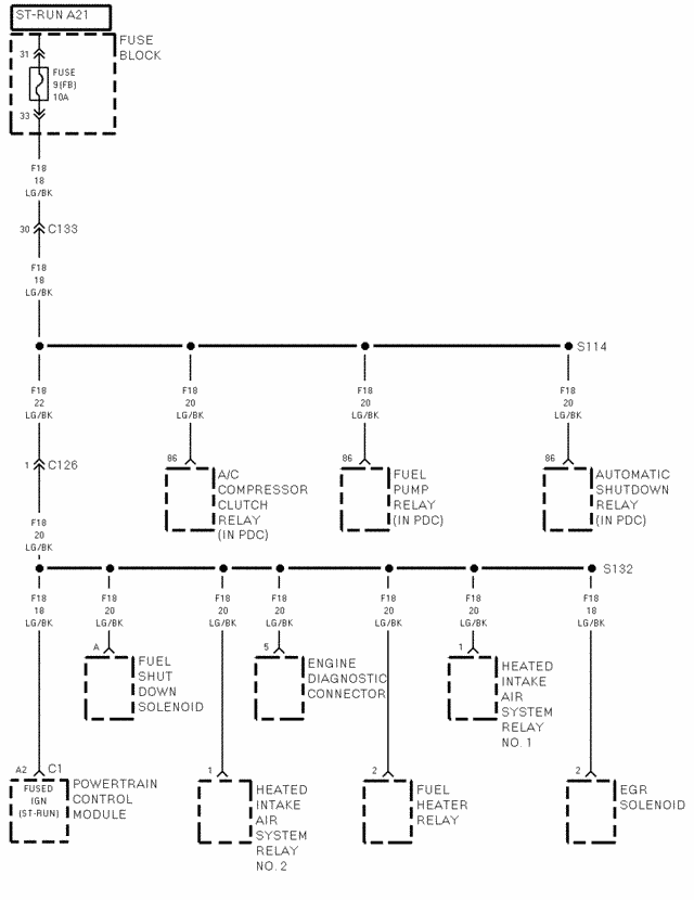
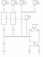
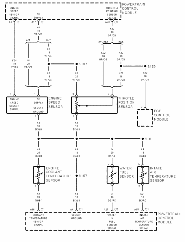
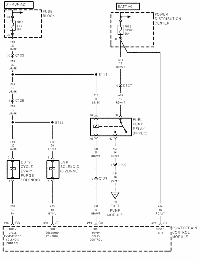
FUEL,IGNITION SYSTEM 1
FUEL,IGNITION SYSTEM 10
FUEL,IGNITION SYSTEM 11 GAS ENGINE
FUEL,IGNITION SYSTEM 12 3.9L
FUEL,IGNITION SYSTEM 13 5.2L,5.9L EXCEPT HEAVY DUTY TRANSMISSION
FUEL,IGNITION SYSTEM 14 5.9L HEAVY DUTY TRANSMISSION
FUEL,IGNITION SYSTEM 15 5.2L,5.9L ENGINES
FUEL,IGNITION SYSTEM 16 5.2L,5.9L ENGINES
FUEL,IGNITION SYSTEM 17 8.0L ENGINE
FUEL,IGNITION SYSTEM 18 8.0L ENGINE
FUEL,IGNITION SYSTEM 19 8.0L ENGINE
FUEL,IGNITION SYSTEM 2
FUEL,IGNITION SYSTEM 20 GAS ENGINE
FUEL,IGNITION SYSTEM 21 8.0L ENGINE
FUEL,IGNITION SYSTEM 22 DIESEL ENGINE
FUEL,IGNITION SYSTEM 23 8.0L ENGINE-CALIFORNIA
FUEL,IGNITION SYSTEM 24
FUEL,IGNITION SYSTEM 25 GAS ENGINE
FUEL,IGNITION SYSTEM 26 3.9L,5.2L,5.9L ENGINES
FUEL,IGNITION SYSTEM 27 DIESEL ENGINE
FUEL,IGNITION SYSTEM 28 GAS ENGINE
FUEL,IGNITION SYSTEM 29
FUEL,IGNITION SYSTEM 3
FUEL,IGNITION SYSTEM 30 DIESEL ENGINE
FUEL,IGNITION SYSTEM 31 DIESEL ENGINE
FUEL,IGNITION SYSTEM 32 DIESEL ENGINE
FUEL,IGNITION SYSTEM 33 GAS ENGINES
FUEL,IGNITION SYSTEM 34 3.9L ENGINE
FUEL,IGNITION SYSTEM 35 3.9L ENGINE
FUEL,IGNITION SYSTEM 36
FUEL,IGNITION SYSTEM 4
FUEL,IGNITION SYSTEM 5
FUEL,IGNITION SYSTEM 6
FUEL,IGNITION SYSTEM 7
FUEL,IGNITION SYSTEM 8
FUEL,IGNITION SYSTEM 9
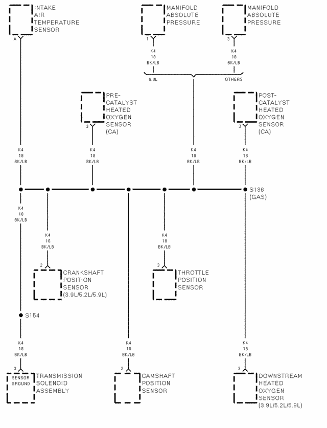
FUSE BLOCK 1
FUSE BLOCK 10
FUSE BLOCK 11
FUSE BLOCK 12
FUSE BLOCK 13
FUSE BLOCK 14
FUSE BLOCK 15
FUSE BLOCK 2 DIESEL ENGINE
FUSE BLOCK 3 GAS ENGINE
FUSE BLOCK 4
FUSE BLOCK 5
FUSE BLOCK 6
FUSE BLOCK 7
FUSE BLOCK 8
FUSE BLOCK 9
FUSE BLOCK LAYOUT
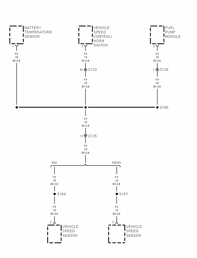
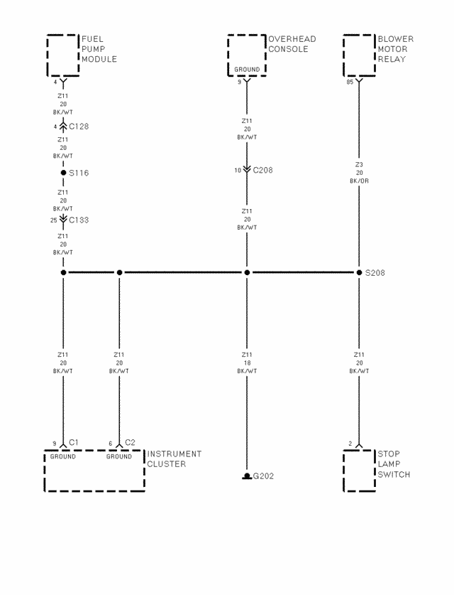
GROUND DISTRIBUTION 1
GROUND DISTRIBUTION 10 DIESEL ENGINE
GROUND DISTRIBUTION 11 GAS ENGINE
GROUND DISTRIBUTION 12
GROUND DISTRIBUTION 13
GROUND DISTRIBUTION 14
GROUND DISTRIBUTION 15
GROUND DISTRIBUTION 16
GROUND DISTRIBUTION 2
GROUND DISTRIBUTION 3
GROUND DISTRIBUTION 4
GROUND DISTRIBUTION 5
GROUND DISTRIBUTION 6
GROUND DISTRIBUTION 7
GROUND DISTRIBUTION 8
GROUND DISTRIBUTION 9 GAS ENGINE
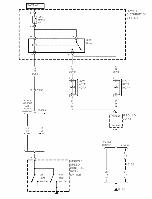
HORN,CIGAR LIGHTER,POWER OUTLET 1
HORN,CIGAR LIGHTER,POWER OUTLET 2
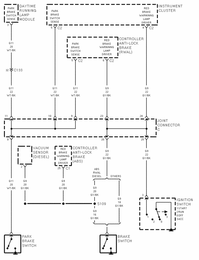
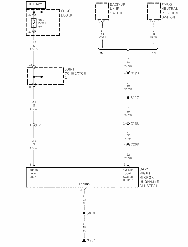
INSTRUMENT CLUSTER 1
INSTRUMENT CLUSTER 2
INSTRUMENT CLUSTER 3
INSTRUMENT CLUSTER 4
INSTRUMENT CLUSTER 5
INSTRUMENT CLUSTER 6
INSTRUMENT CLUSTER 7
INSTRUMENT CLUSTER 8
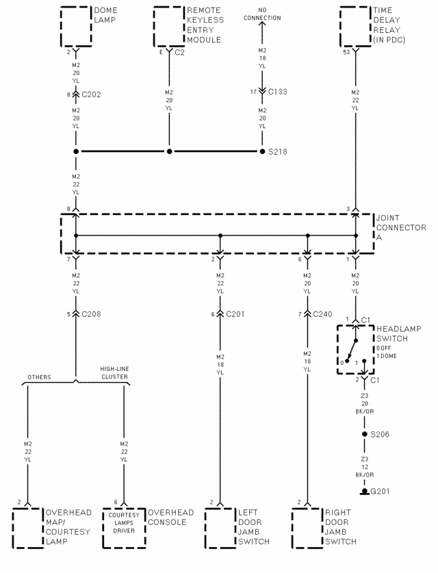
INTERIOR LIGHTING 1
INTERIOR LIGHTING 2
INTERIOR LIGHTING 3
INTERIOR LIGHTING 4
MESSAGE CENTER
OVERHEAD CONSOLE 1
OVERHEAD CONSOLE 2
OVERHEAD CONSOLE 3
OVERHEAD CONSOLE 4
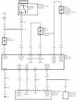
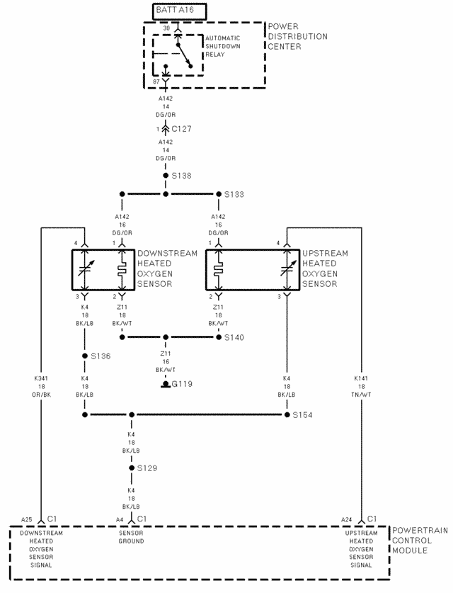
POWER DISTRIBUTION 1
POWER DISTRIBUTION 12
POWER DISTRIBUTION 13
POWER DISTRIBUTION 14
POWER DISTRIBUTION 15
POWER DISTRIBUTION 16
POWER DISTRIBUTION 17
POWER DISTRIBUTION 18
POWER DISTRIBUTION 19
POWER DISTRIBUTION 2
POWER DISTRIBUTION 3
POWER DISTRIBUTION 4
POWER DISTRIBUTION 5
POWER DISTRIBUTION 6
POWER DISTRIBUTION 8
POWER DISTRIBUTION 9
POWER DISTRIBUTION LAYOUT
POWER DOOR LOCKS 1 RKE
POWER DOOR LOCKS 2
POWER DOOR LOCKS 3 RKE
POWER DOOR LOCKS 4 RKE
POWER MIRRORS
POWER SEAT
POWER WINDOWS 1
POWER WINDOWS 2
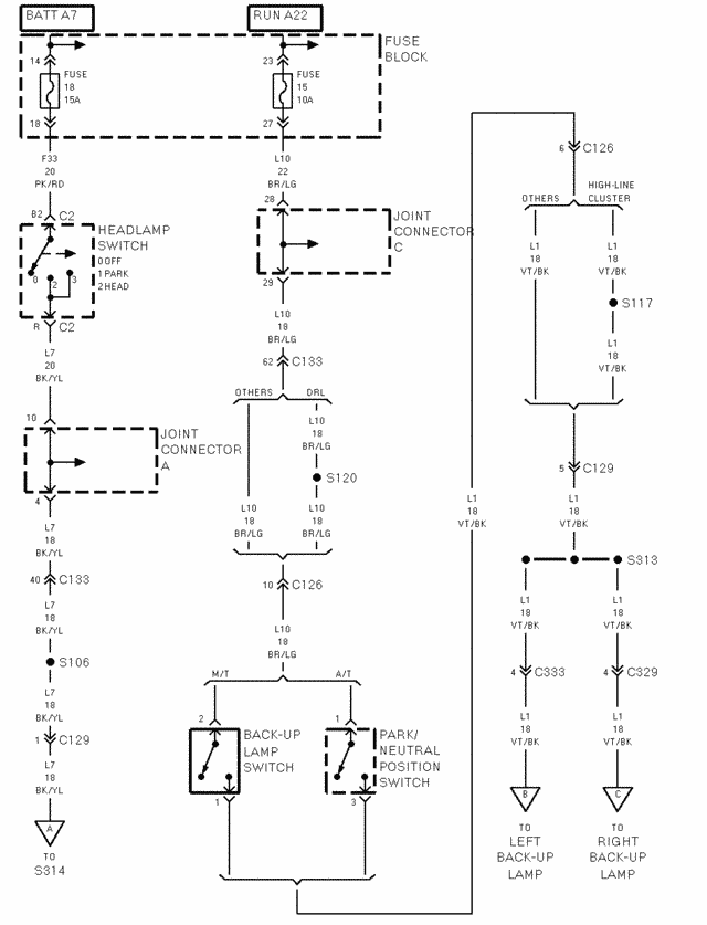
REAR LIGHTING 1
REAR LIGHTING 2
REAR LIGHTING 4 DUAL REAR WHEELS
REAR LIGHTING 5
REAR LIGHTING 6
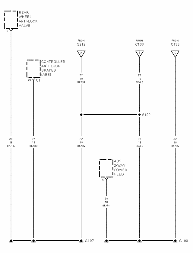
REAR WHEEL ANTI-LOCK BRAKES 1
REAR WHEEL ANTI-LOCK BRAKES 2
REAR WHEEL ANTI-LOCK BRAKES 3
REAR WHEEL ANTI-LOCK BRAKES 4
SPLICE INFORMATION 1
SPLICE INFORMATION 10
SPLICE INFORMATION 2
SPLICE INFORMATION 3
SPLICE INFORMATION 4
SPLICE INFORMATION 5
SPLICE INFORMATION 6
SPLICE INFORMATION 7
SPLICE INFORMATION 8
SPLICE INFORMATION 9
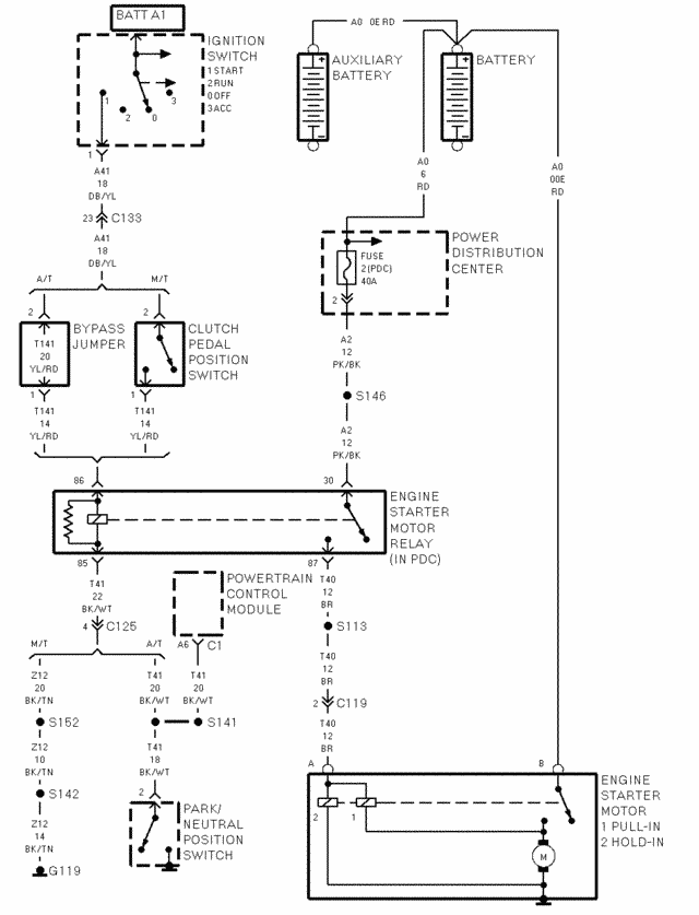
STARTING SYSTEM 1 DIESEL ENGINE
STARTING SYSTEM 2 GAS ENGINE
TRAILER TOW 1
TRAILER TOW 2
TRAILER TOW 3
TRAILER TOW 4
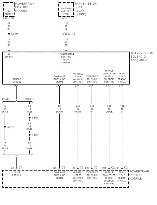
TRANSMISSION CONTROL SYSTEM 1
TRANSMISSION CONTROL SYSTEM 2
TRANSMISSION CONTROL SYSTEM 3
TRANSMISSION CONTROL SYSTEM 4
TRANSMISSION CONTROL SYSTEM 5
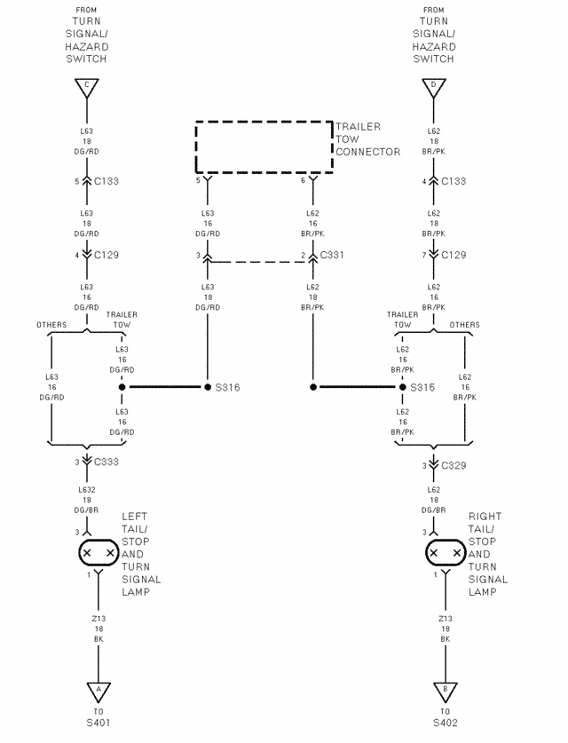
TURN SIGNALS 1
TURN SIGNALS 2
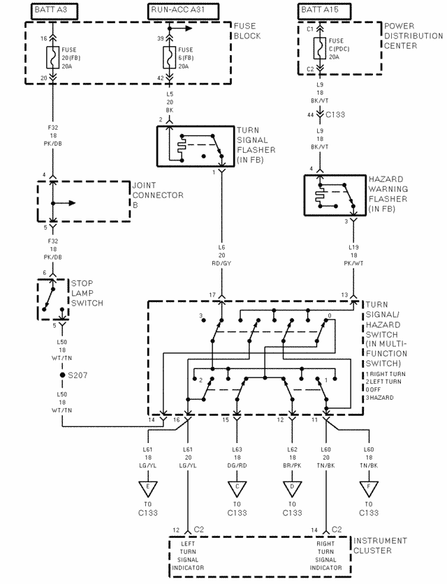
TURN SIGNALS 3
TURN SIGNALS 4
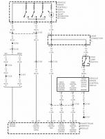
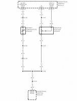
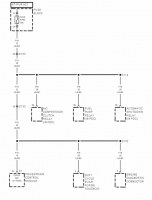
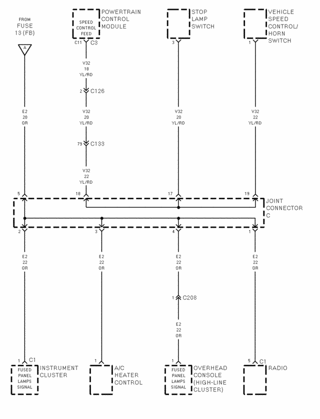
VEHICLE SPEED CONTROL 1
VEHICLE SPEED CONTROL 2
WIPERS 1
WIPERS 2