Auto Electronics 101
  • Home
  • FORUM
  • Shopping Cart
  • Support

Login Form

  • Forgot your password?
  • Forgot your username?
  • Create an account

Main Menu

  • Automotive Repair Help
  • Electronics Repair Help
  • Locksmith Repair Help
  • Misc. Educational Material
  • Bench, Boot & In-Circuit Pinouts
  • Benchtop Power-up Pinouts
  • BIN File Decoding
  • Circuit Schematics
  • YouTube Public Playlists
  • Wiring Diagrams
    • Acura, Honda
    • Chrysler, Dodge, Jeep
    • Ford, Lincoln, Mercury
    • General Motors
    • Infiniti, Nissan, Subaru
    • Large Trucks
    • Mazda, Mazda USA
    • Mitsubishi

Web Shop

  • Electrical Components
  • J2534 Calibration Files
  • KESS Recovery Files
  • Memory Dumps
  • VMWare (Premade VMS)
  • PC Apps & Docs
  • Tools & Supplies

  1. You are here:  
  2. Wiring Diagrams
  3. Ford, Lincoln, Mercury
  4. Ford F Series Super Duty 2003 wiring diagrams

Ford F Series Super Duty 2003 wiring diagrams

Parent Category: Wiring Diagrams
Category: Ford, Lincoln, Mercury
  • wiring
  • schematics
  • ford
  • diagrams
  • F series
  • F250
  • F350
  • Super Duty
  • Excursion
  • F450
  • F550

Antitheft-1
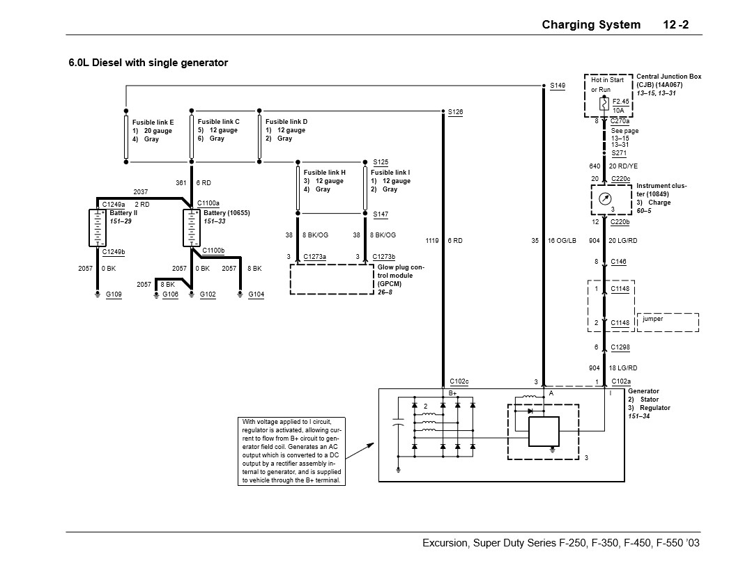
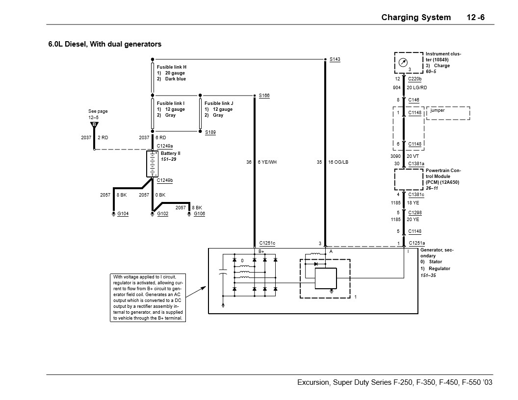
Chargingsystem (1)-1
Chargingsystem (2)-1
Chargingsystem (3)-1
Chargingsystem (4)-1
Chargingsystem (5)-1
Chargingsystem (6)-1
Chargingsystem (7)-1
Connector C168, c169, 171-1
Connector C175 - PCM-1
Connector C175 - PCM-2
Connector C175 - PCM-3
Connector C175 - PCM-4
Engine controls 73L (1)-1
Engine controls 73L (10)-1
Engine controls 73L (11)-1
Engine controls 73L (12)-1
Engine controls 73L (13)-1
Engine controls 73L (2)-1
Engine controls 73L (3)-1
Engine controls 73L (4)-1
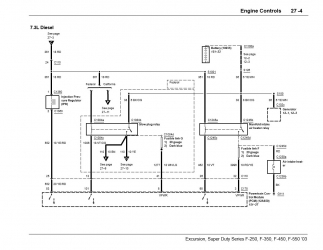
Engine controls 73L (5)-1
Engine controls 73L (6)-1
Engine controls 73L (7)-1
Engine controls 73L (8)-1
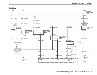
Engine controls 73L (9)-1
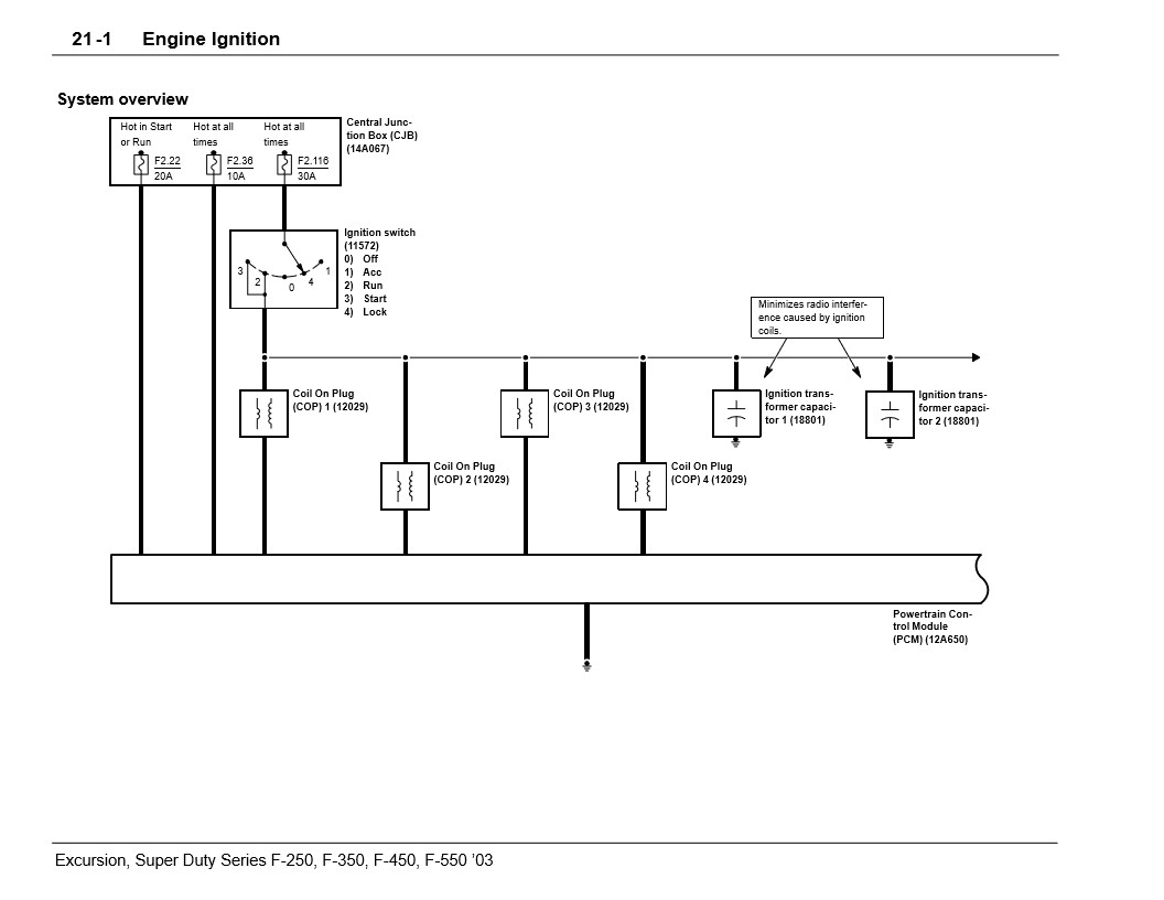
Engine ignition (1)-1
Engine ignition (2)-1
Engine ignition (3)-1
Engine ignition (4)-1
Engine ignition (5)-1
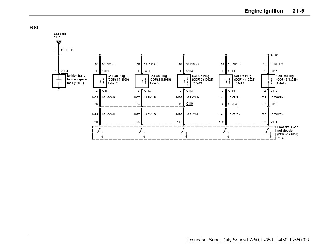
Engine ignition (6)-1
Fuse and relay info (1)-1
Fuse and relay info (2)-1
Fuse and relay info (3)-1
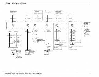
Instrument cluster (1)-1
Instrument cluster (2)-1
Instrument cluster (3)-1
Instrument cluster (4)-1
Instrument cluster (5)-1
Instrument cluster (6)-1
Instrument cluster (7)-1
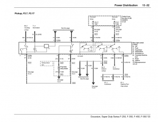
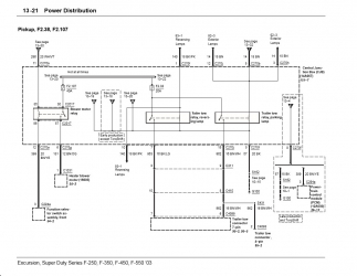
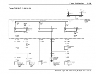
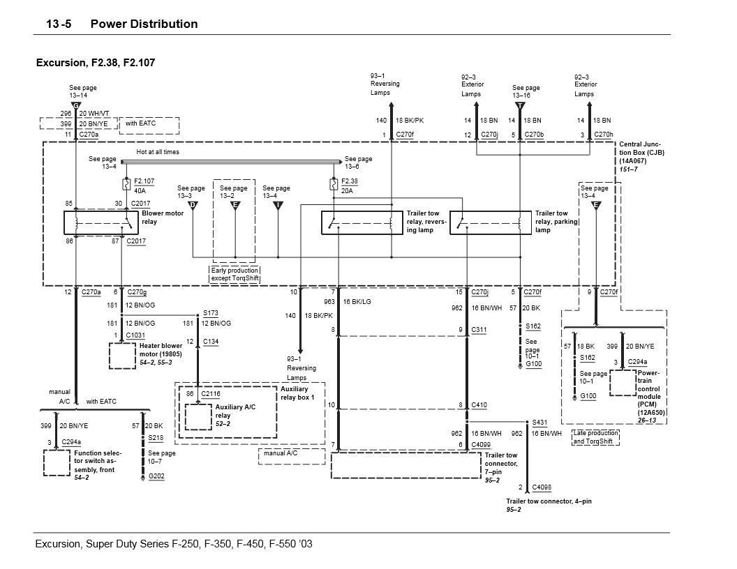
Power distribution (1)-1
Power distribution (10)-1
Power distribution (11)-1
Power distribution (12)-1
Power distribution (13)-1
Power distribution (14)-1
Power distribution (15)-1
Power distribution (16)-1
Power distribution (17)-1
Power distribution (18)-1
Power distribution (19)-1
Power distribution (2)-1
Power distribution (20)-1
Power distribution (21)-1
Power distribution (22)-1
Power distribution (23)-1
Power distribution (24)-1
Power distribution (25)-1
Power distribution (26)-1
Power distribution (27)-1
Power distribution (28)-1
Power distribution (29)-1
Power distribution (3)-1
Power distribution (30)-1
Power distribution (31)-1
Power distribution (32)-1
Power distribution (33)-1
Power distribution (34)-1
Power distribution (35)-1
Power distribution (4)-1
Power distribution (5)-1
Power distribution (6)-1
Power distribution (7)-1
Power distribution (8)-1
Power distribution (9)-1
Starting system (1)-1
Starting system (2)-1
Starting system (3)-1
Starting system (4)-1
Starting system (5)-1
Torqueshift (1)-1
Torqueshift (2)-1
Torqueshift (3)-1
Transmission controls (1)-1
Transmission controls (2)-1
Transmission controls (3)-1
”