Auto Electronics 101
  • Home
  • FORUM
  • Shopping Cart
  • Support

Login Form

  • Forgot your password?
  • Forgot your username?
  • Create an account

Main Menu

  • Automotive Repair Help
  • Electronics Repair Help
  • Locksmith Repair Help
  • Misc. Educational Material
  • Bench, Boot & In-Circuit Pinouts
  • Benchtop Power-up Pinouts
  • BIN File Decoding
  • Circuit Schematics
  • YouTube Public Playlists
  • Wiring Diagrams
    • Acura, Honda
    • Chrysler, Dodge, Jeep
    • Ford, Lincoln, Mercury
    • General Motors
    • Infiniti, Nissan, Subaru
    • Large Trucks
    • Mazda, Mazda USA
    • Mitsubishi

Web Shop

  • Electrical Components
  • J2534 Calibration Files
  • KESS Recovery Files
  • Memory Dumps
  • VMWare (Premade VMS)
  • PC Apps & Docs
  • Tools & Supplies

  1. You are here:  
  2. Wiring Diagrams
  3. Ford, Lincoln, Mercury
  4. Ford Crown Victoria 2006-2010 wiring diagrams

Ford Crown Victoria 2006-2010 wiring diagrams

Parent Category: Wiring Diagrams
Category: Ford, Lincoln, Mercury
  • wiring
  • schematics
  • ford
  • crown victoria
  • diagrams

PATS-1
Starting System (non police)-1
Starting System (police)-1
Connector C175B - PCM-1
Connector C175B - PCM-2
Connector C175E - PCM-1
Connector C175E - PCM-2
Connector C175T - PCM-1
Connector C175T - PCM-2
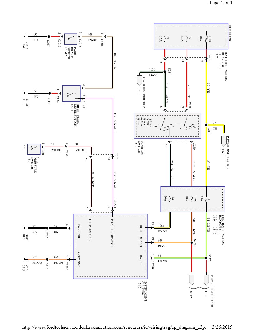
Connector C2220 - Instrurment Cluster-1
Engine controls 47L (1)-1
Engine controls 47L (2)-1
Engine controls 47L (3)-1
Engine controls 47L (4)-1
Engine controls 47L (5)-1
Engine controls 47L (6)-1
Engine controls 47L (7)-1
Engine controls 47L (8)-1
Instrument cluster (1)-1
Instrument cluster (2)-1
Instrument cluster (3)-1
”