Auto Electronics 101
  • Home
  • FORUM
  • Shopping Cart
  • Support

Login Form

  • Forgot your password?
  • Forgot your username?
  • Create an account

Main Menu

  • Automotive Repair Help
  • Electronics Repair Help
  • Locksmith Repair Help
  • Misc. Educational Material
  • Bench, Boot & In-Circuit Pinouts
  • Benchtop Power-up Pinouts
  • BIN File Decoding
  • Circuit Schematics
  • YouTube Public Playlists
  • Wiring Diagrams
    • Acura, Honda
    • Chrysler, Dodge, Jeep
    • Ford, Lincoln, Mercury
    • General Motors
    • Infiniti, Nissan, Subaru
    • Large Trucks
    • Mazda, Mazda USA
    • Mitsubishi

Web Shop

  • Electrical Components
  • J2534 Calibration Files
  • KESS Recovery Files
  • Memory Dumps
  • VMWare (Premade VMS)
  • PC Apps & Docs
  • Tools & Supplies

  1. You are here:  
  2. Wiring Diagrams
  3. Ford, Lincoln, Mercury
  4. Ford F150 1998 wiring diagrams

Ford F150 1998 wiring diagrams

Parent Category: Wiring Diagrams
Category: Ford, Lincoln, Mercury

Air bags 01
Air bags 02
Anti-lock brakes 01
Anti-lock brakes 02
Anti-lock brakes 03
Anti-lock brakes 04
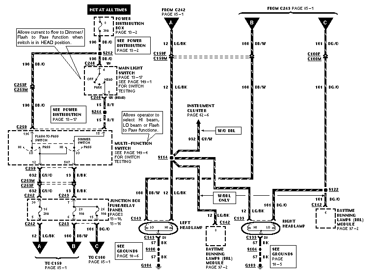
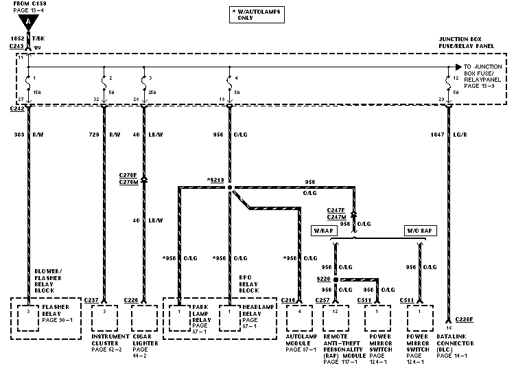
Auto lamps 01
Auto lamps 02
Auto lamps 03
Backup lamp
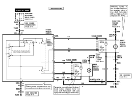
Charging
Connector C174a 4.2L PCM
Connector C174a 4.6L PCM
Connector C174a 5.4L PCM
Connector C174b 4.2L PCM
Connector C174b 4.6L PCM
Connector C174b 5.4L PCM
Connector C174c 4.2L PCM
Connector C174c 4.6L PCM
Connector C174c 5.4L PCM
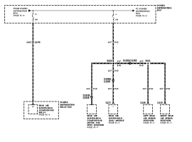
Courtesy lamps 01
Courtesy lamps 02
Daytime running lamps 01
Daytime running lamps 02
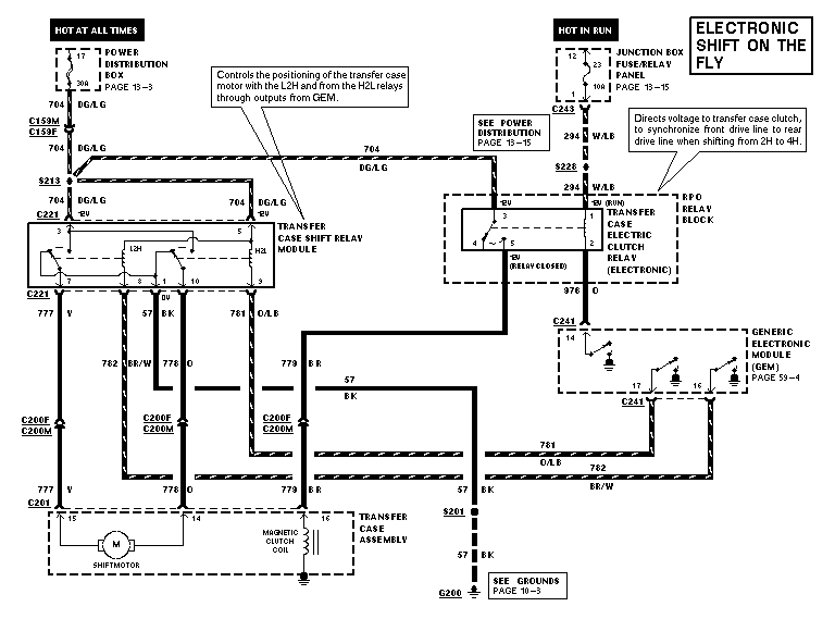
Electronic shift control 01
Electronic shift control 02
Electronic shift control 03
Electronic shift control 04
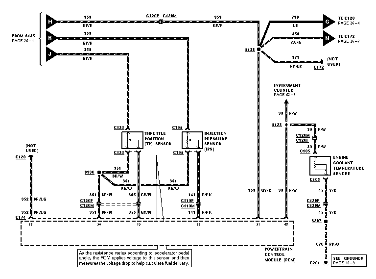
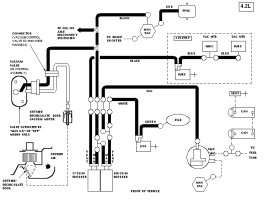
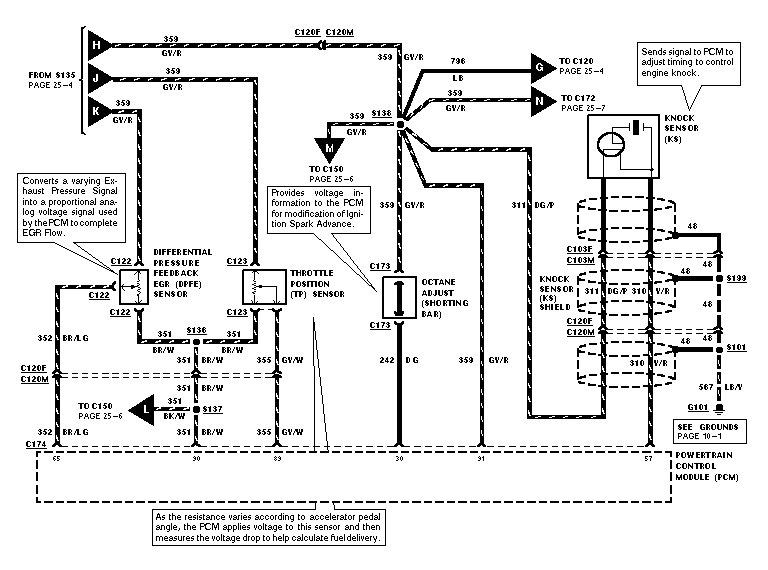
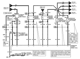
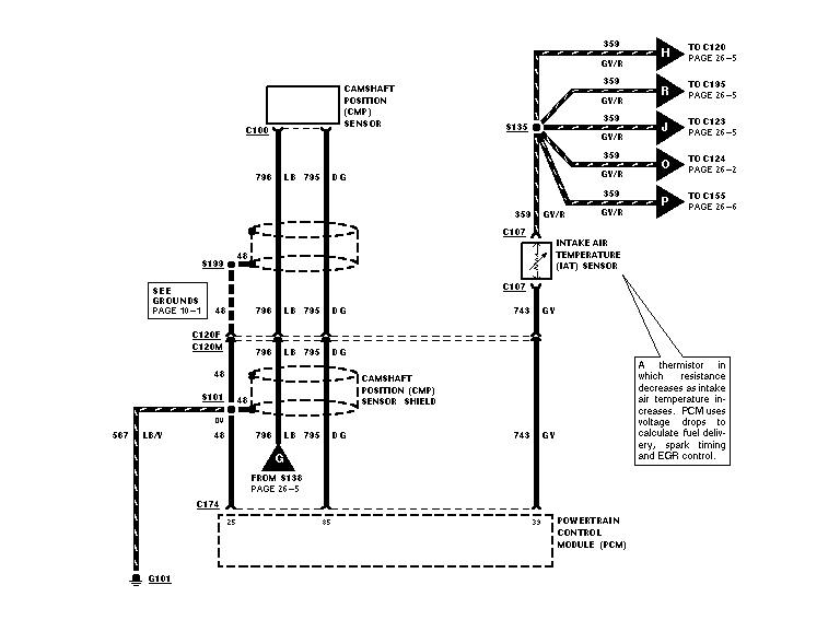
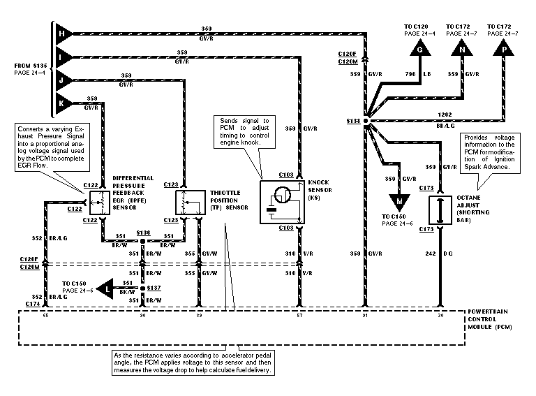
Engine controls 4.2l 01
Engine controls 4.2l 02
Engine controls 4.2l 03
Engine controls 4.2l 04
Engine controls 4.2l 05
Engine controls 4.2l 06
Engine controls 4.2l 07
Engine controls 4.6l 01
Engine controls 4.6l 02
Engine controls 4.6l 03
Engine controls 4.6l 04
Engine controls 4.6l 05
Engine controls 4.6l 06
Engine controls 4.6l 07
Engine controls 5.4l 01
Engine controls 5.4l 02
Engine controls 5.4l 03
Engine controls 5.4l 04
Engine controls 5.4l 05
Engine controls 5.4l 06
Engine controls 5.4l 07
Engine controls 5.4l ngv 01
Engine controls 5.4l ngv 02
Engine controls 5.4l ngv 03
Engine controls 5.4l ngv 04
Engine controls 5.4l ngv 05
Engine controls 5.4l ngv 06
Engine controls 5.4l ngv 07
Engine controls 5.4l ngv 08
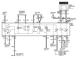
Exterior lamps 01
Exterior lamps 02
Fog lamps
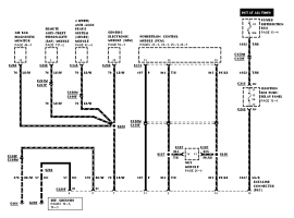
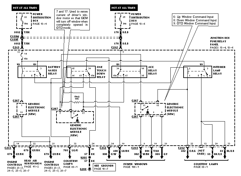
General electronics module 01
General electronics module 02
General electronics module 03
General electronics module 04
Headlamps
Heater 01
Heater 02
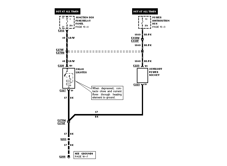
Horn cig 01
Horn cig 02
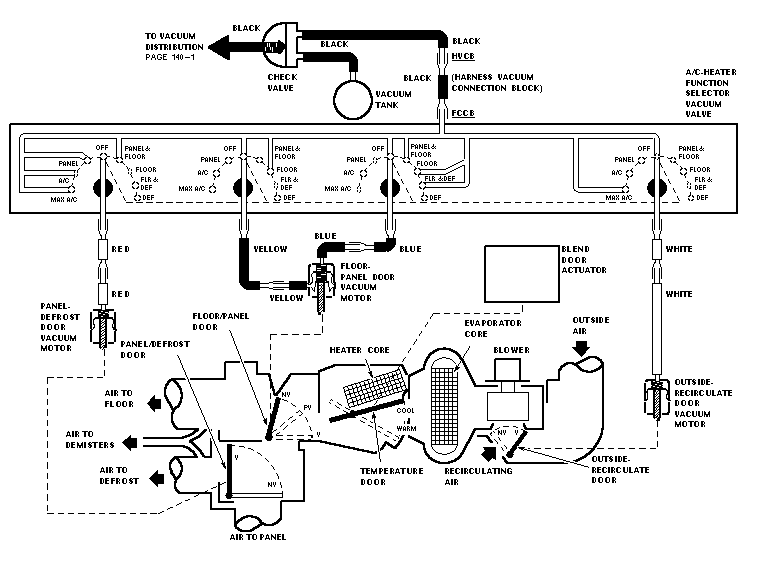
Hvac 01
Hvac 02
Hvac 03
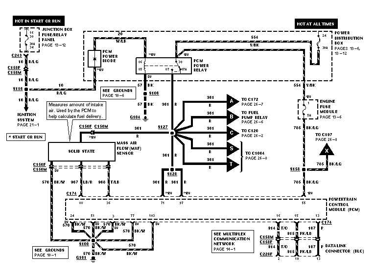
Ignition system 01
Ignition system 02
Ignition system 03
Ignition system 04
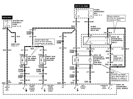
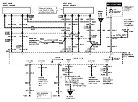
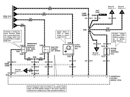
Instrument cluster 01
Instrument cluster 02
Instrument cluster 03
Instrument cluster 04
Instrument cluster 05
Instrument cluster 06
Instrument cluster 07
Instrument illumination 01
Instrument illumination 02
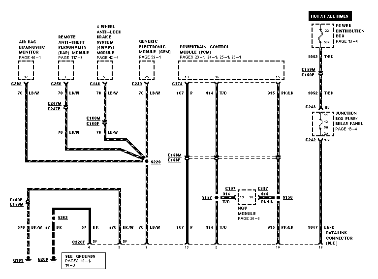
Multiplex communication network
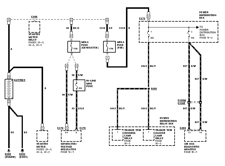
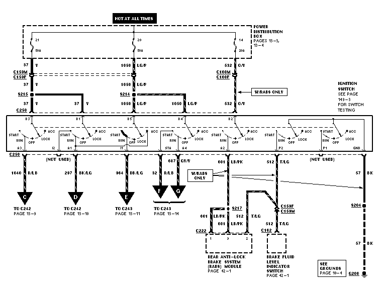
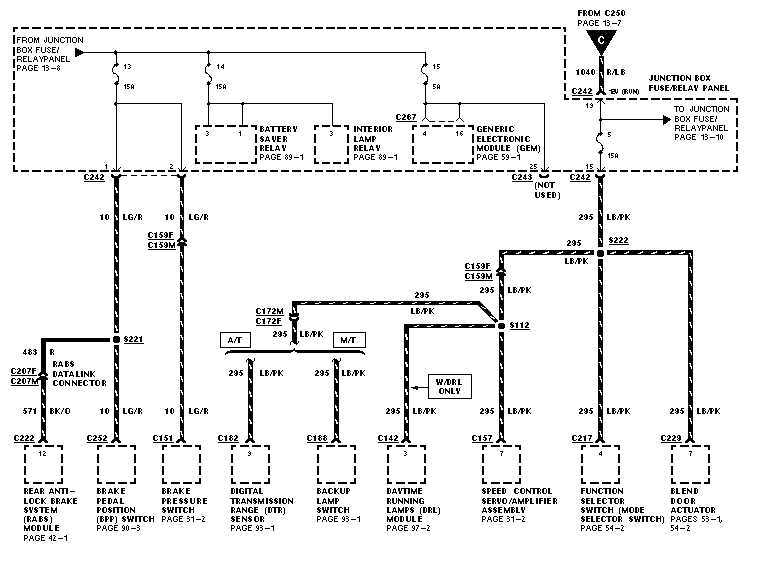
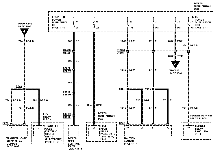
Power distribution 01
Power distribution 02
Power distribution 03
Power distribution 04
Power distribution 05
Power distribution 06
Power distribution 07
Power distribution 08
Power distribution 09
Power distribution 10
Power distribution 11
Power distribution 12
Power distribution 13
Power distribution 14
Power distribution 15
Power distribution 16
Power distribution 17
Power distribution 18
Power distribution 19
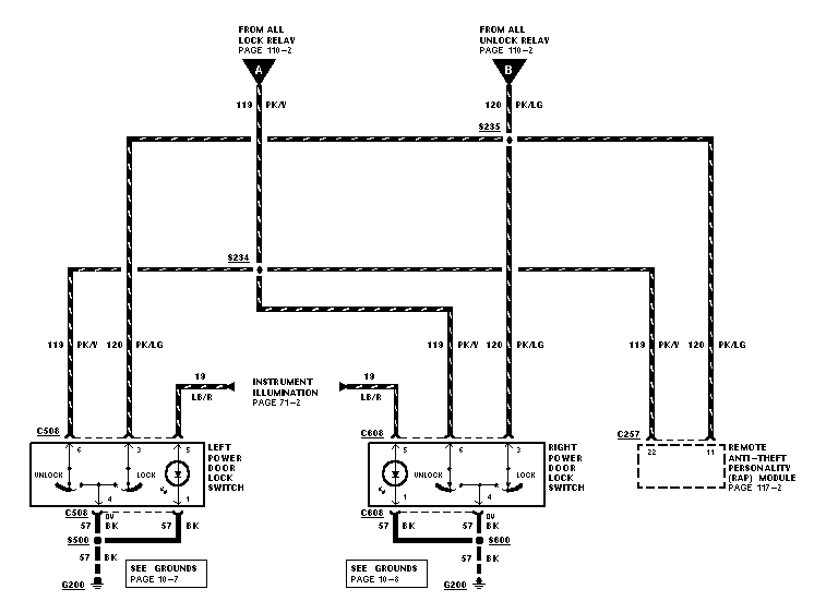
Power door locks 01
Power door locks 02
Power door locks 03
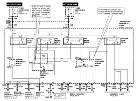
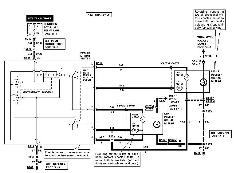
Power mirrors
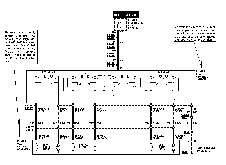
Power seats
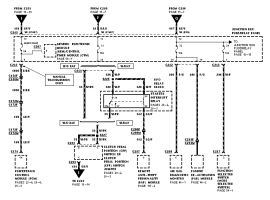
Power windows 01
Power windows 02
Radio 01
Radio 02
Radio 03
Rear air suspension 01
Rear air suspension 02
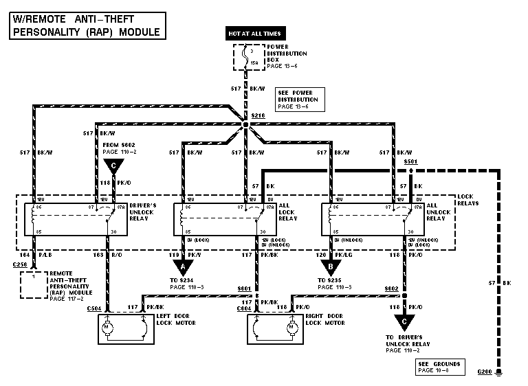
Remote control alarm 01
Remote control alarm 02
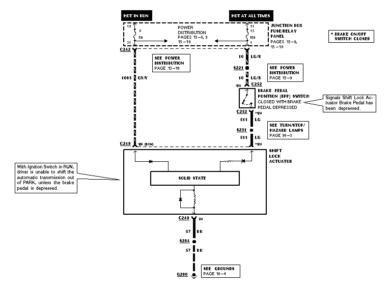
Shift lock
Speed control 01
Speed control 02
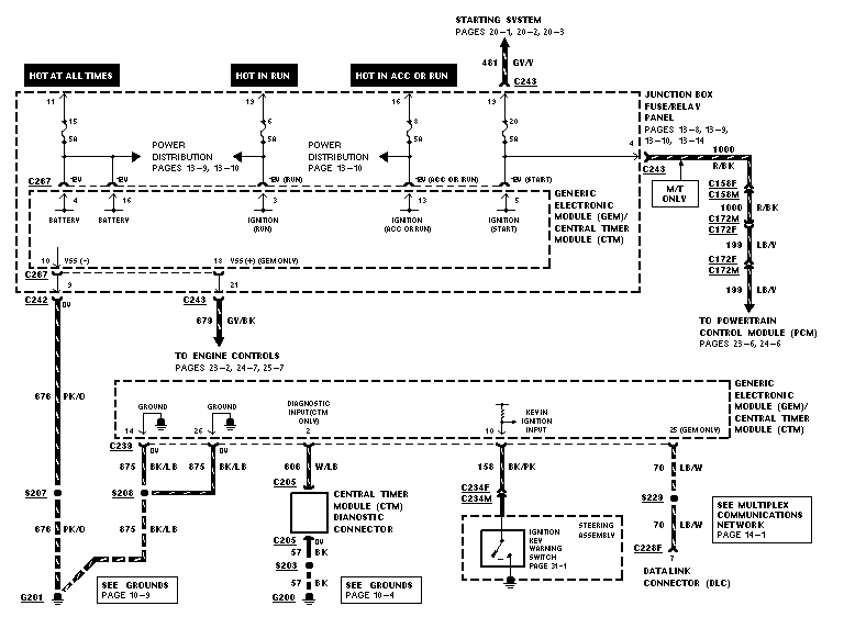
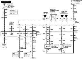
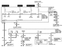
Starting system 01
Starting system 02
Starting system 03
Trailer 01
Trailer 02
Trailer 03
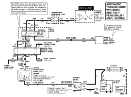
Trans control 4R70W 01
Trans control 4R70W 02
Trans control 4R70W 03
Trans control 4R70W 04
Trans control E4OD-4R100 01
Trans control E4OD-4R100 02
Trans control E4OD-4R100 03
Trans control E4OD-4R100 04
Turn stop hazard lamps 01
Turn stop hazard lamps 02
Turn stop hazard lamps 03
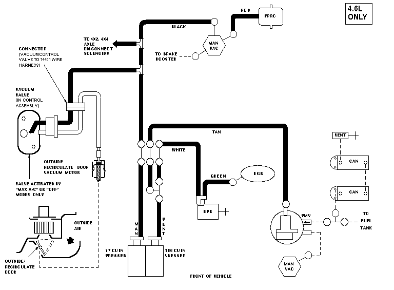
Vacuum distribution 01
Vacuum distribution 02
Vacuum distribution 03
Warning chime
Wipers 01