Auto Electronics 101
  • Home
  • FORUM
  • Shopping Cart
  • Support

Login Form

  • Forgot your password?
  • Forgot your username?
  • Create an account

Main Menu

  • Automotive Repair Help
  • Electronics Repair Help
  • Locksmith Repair Help
  • Misc. Educational Material
  • Bench, Boot & In-Circuit Pinouts
  • Benchtop Power-up Pinouts
  • BIN File Decoding
  • Circuit Schematics
  • YouTube Public Playlists
  • Wiring Diagrams
    • Acura, Honda
    • Chrysler, Dodge, Jeep
    • Ford, Lincoln, Mercury
    • General Motors
    • Infiniti, Nissan, Subaru
    • Large Trucks
    • Mazda, Mazda USA
    • Mitsubishi

Web Shop

  • Electrical Components
  • J2534 Calibration Files
  • KESS Recovery Files
  • Memory Dumps
  • VMWare (Premade VMS)
  • PC Apps & Docs
  • Tools & Supplies

  1. You are here:  
  2. Wiring Diagrams
  3. General Motors
  4. Buick Regal 2011 wiring diagrams

Buick Regal 2011 wiring diagrams

Parent Category: Wiring Diagrams
Category: General Motors
  • wiring
  • schematics
  • diagrams
  • gm
  • general motors
  • buick
  • regal

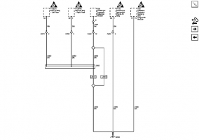
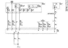
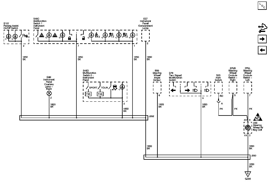
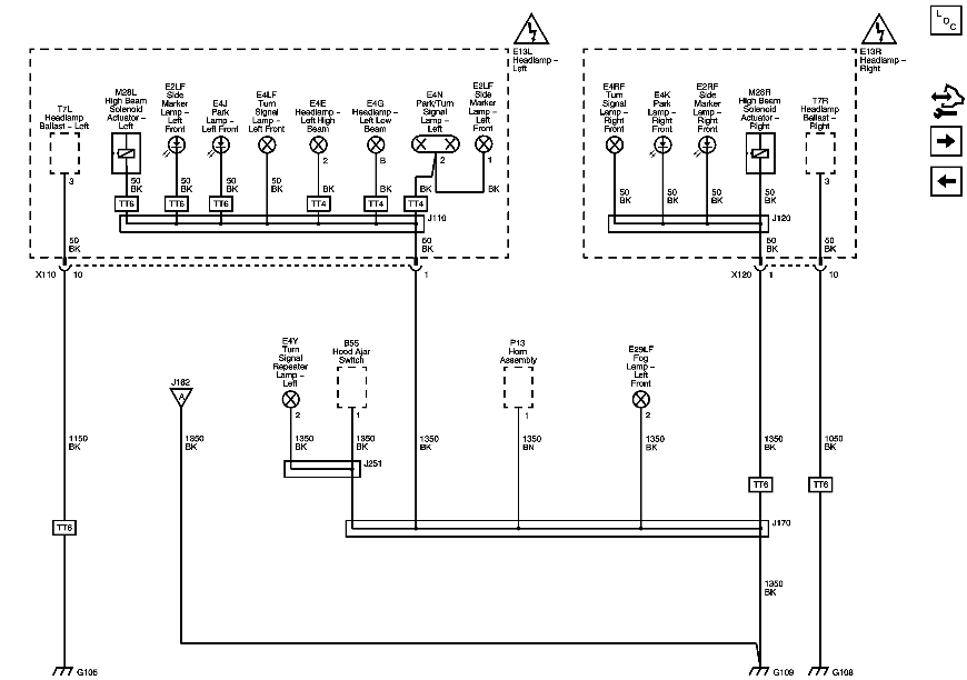
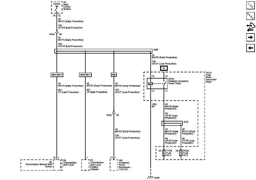
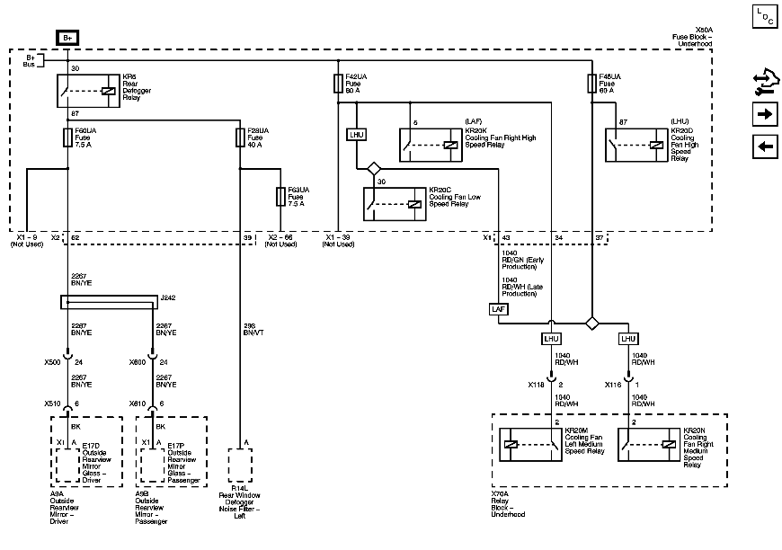
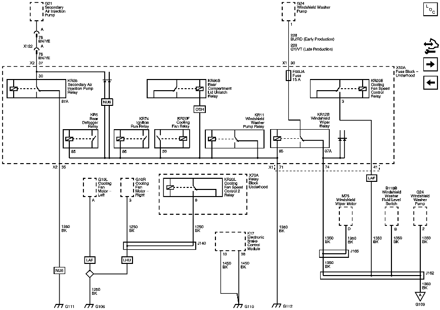
Body control (1)
Body control (2)
Body control (3)
Body control (4)
Cruise control
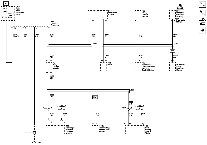
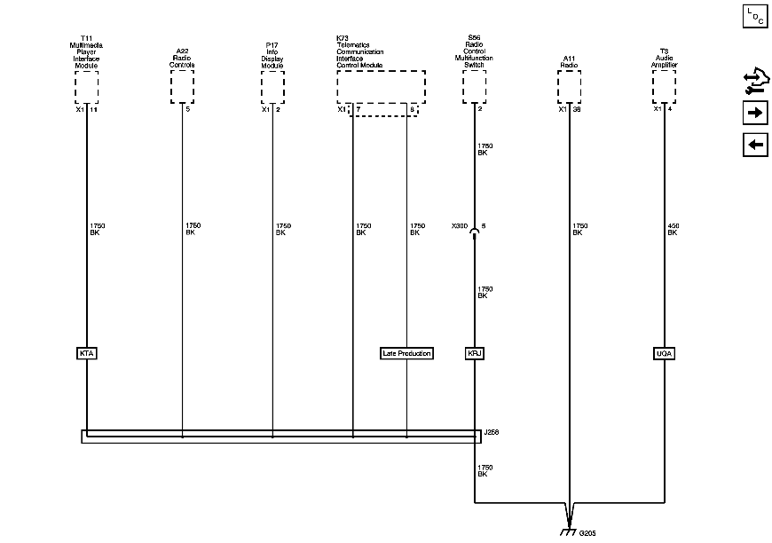
Data communication (1)
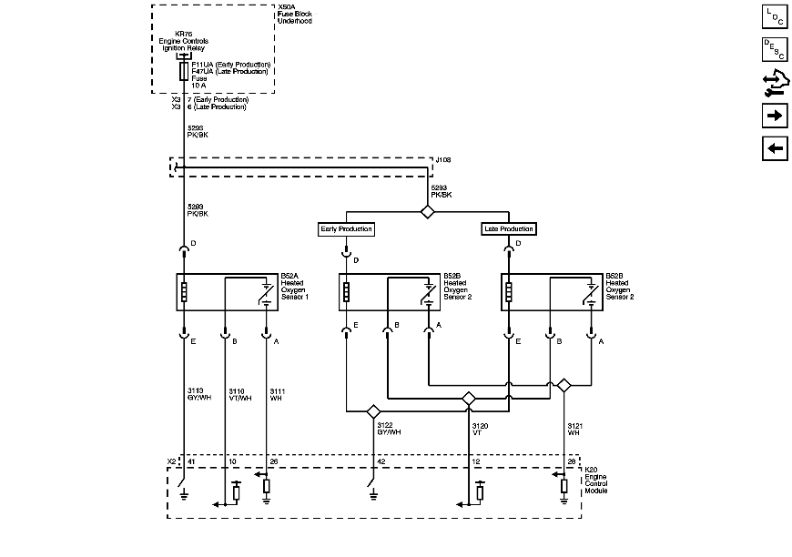
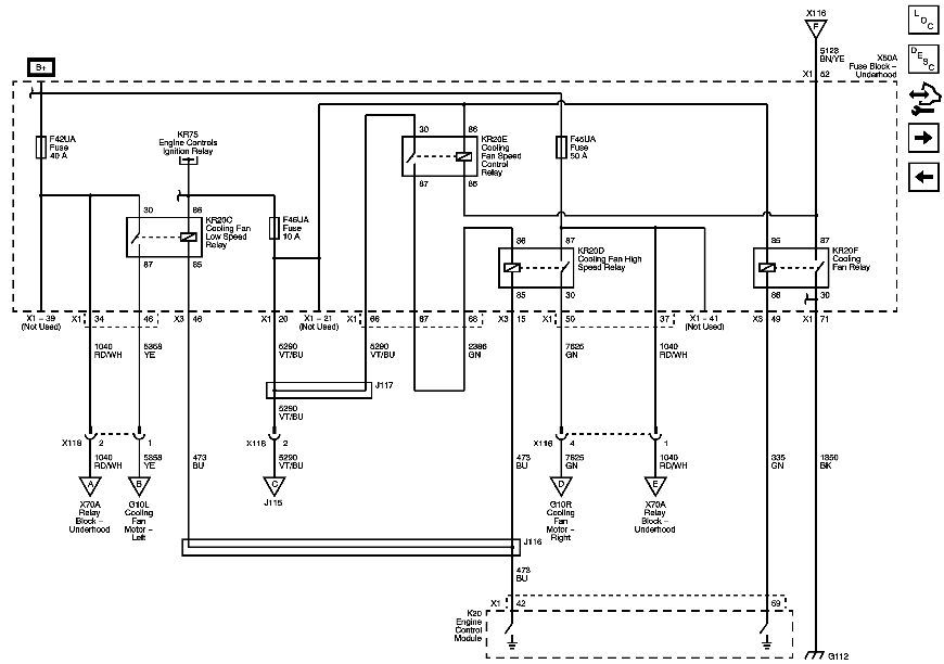
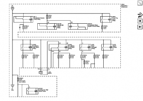
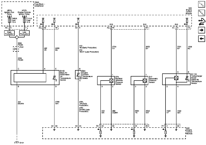
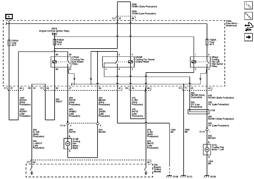
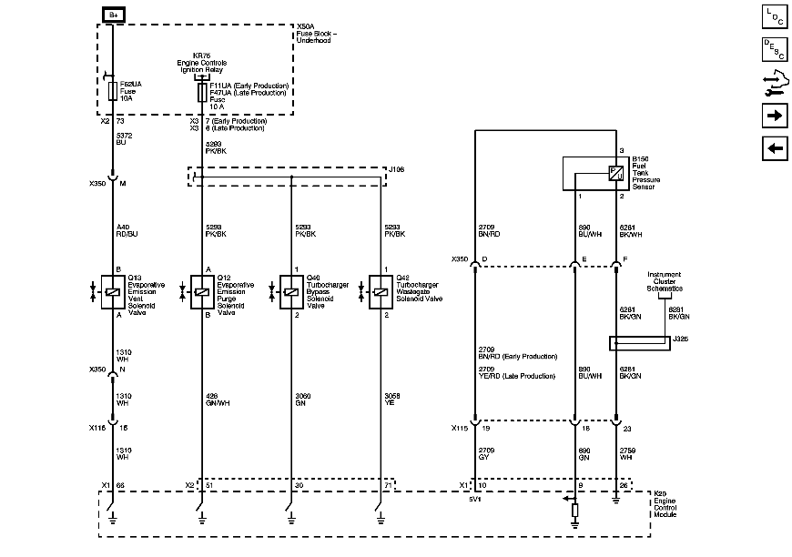
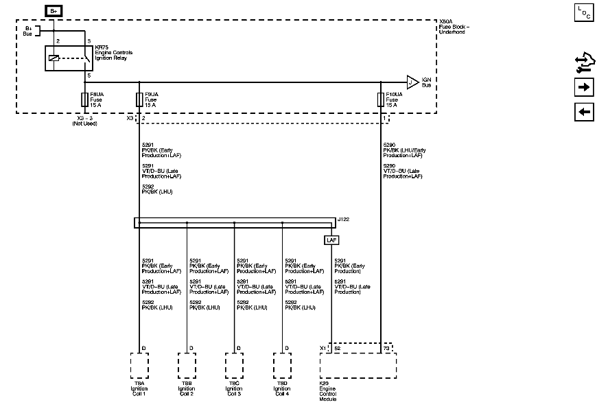
Engine controls (1)
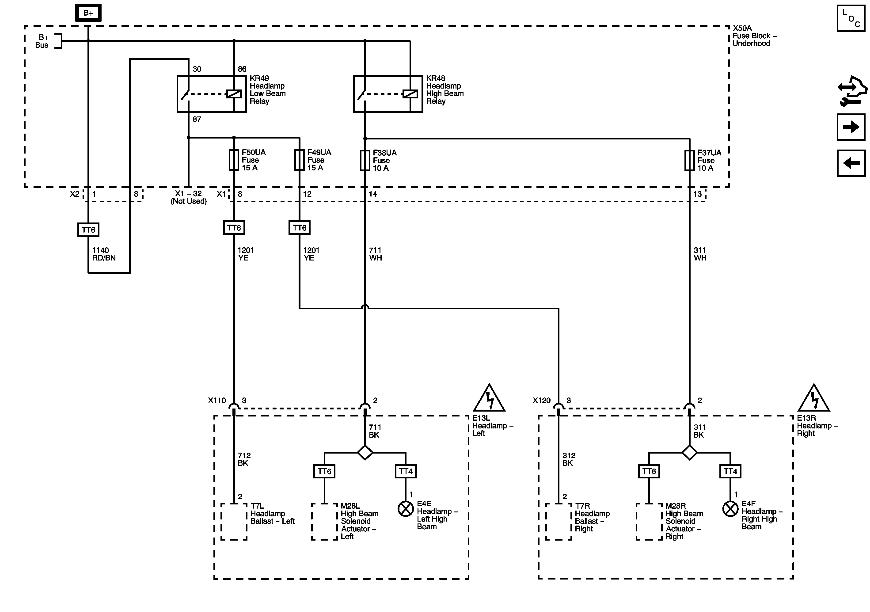
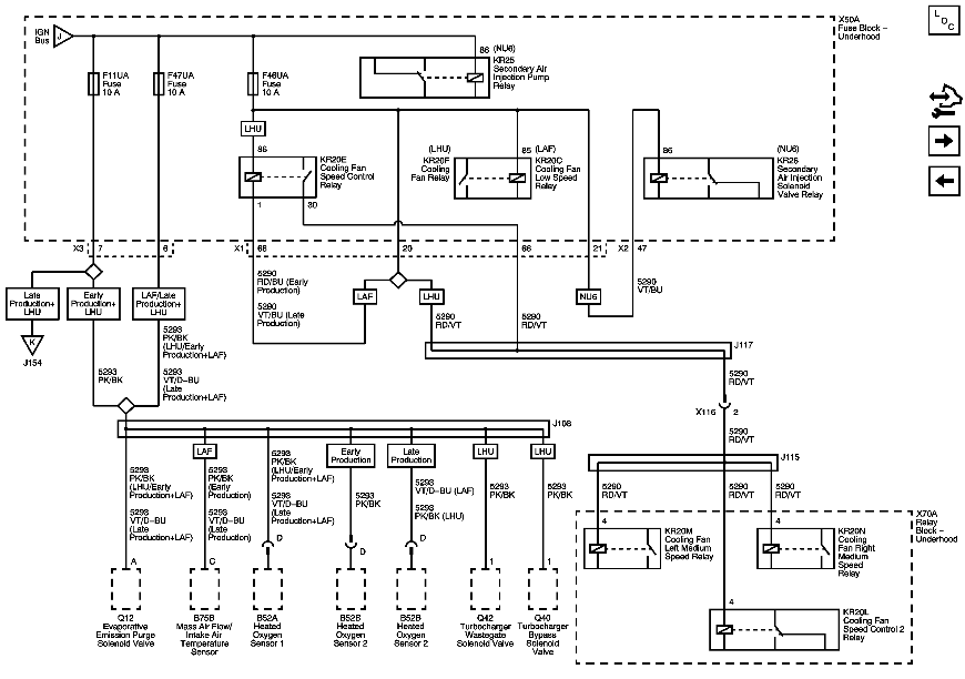
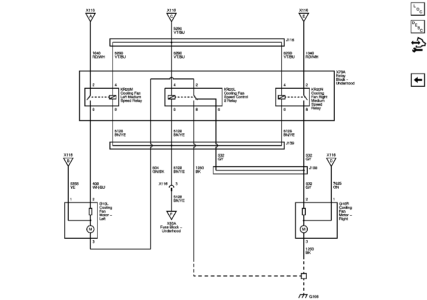
Engine controls (10)
Engine controls (11)
Engine controls (12)
Engine controls (13)
Engine controls (2)
Engine controls (3)
Engine controls (4)
Engine controls (5)
Engine controls (6)
Engine controls (7)
Engine controls (8)
Engine controls (9)
Engine controls 20L (1)
Engine controls 20L (10)
Engine controls 20L (11)
Engine controls 20L (12)
Engine controls 20L (2)
Engine controls 20L (3)
Engine controls 20L (4)
Engine controls 20L (5)
Engine controls 20L (6)
Engine controls 20L (7)
Engine controls 20L (8)
Engine controls 20L (9)
Ground distribution (1)
Ground distribution (10)
Ground distribution (11)
Ground distribution (12)
Ground distribution (13)
Ground distribution (2)
Ground distribution (3)
Ground distribution (4)
Ground distribution (5)
Ground distribution (6)
Ground distribution (7)
Ground distribution (8)
Ground distribution (9)
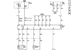
Hvac (1)
Hvac (2)
Hvac (3)
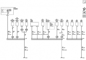
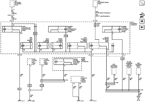
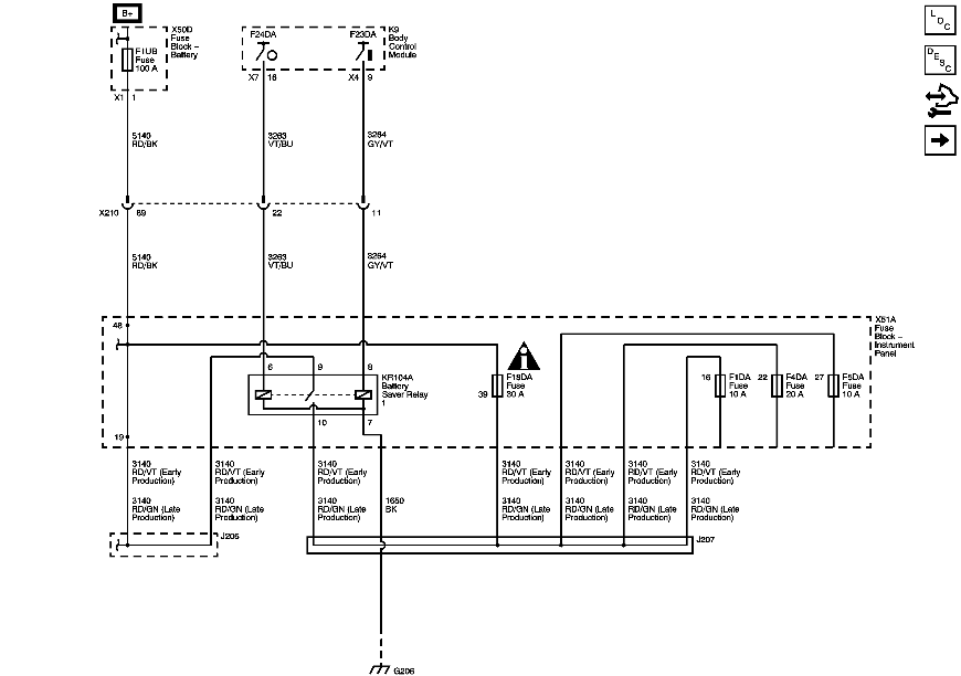
Power distribution (1)
Power distribution (10)
Power distribution (11)
Power distribution (12)
Power distribution (13)
Power distribution (14)
Power distribution (15)
Power distribution (16)
Power distribution (17)
Power distribution (2)
Power distribution (3)
Power distribution (4)
Power distribution (5)
Power distribution (6)
Power distribution (7)
Power distribution (8)
Power distribution (9)
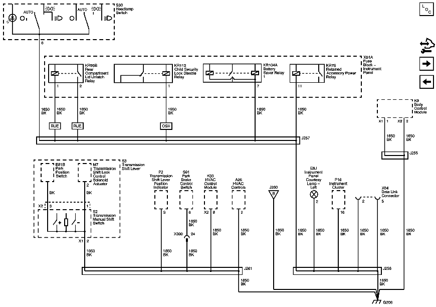
Power moding (1)
Power moding (2)
Power moding (3)
Shift interlock
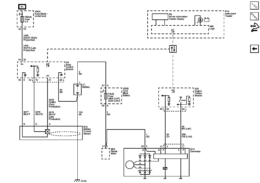
Starting charging (1)
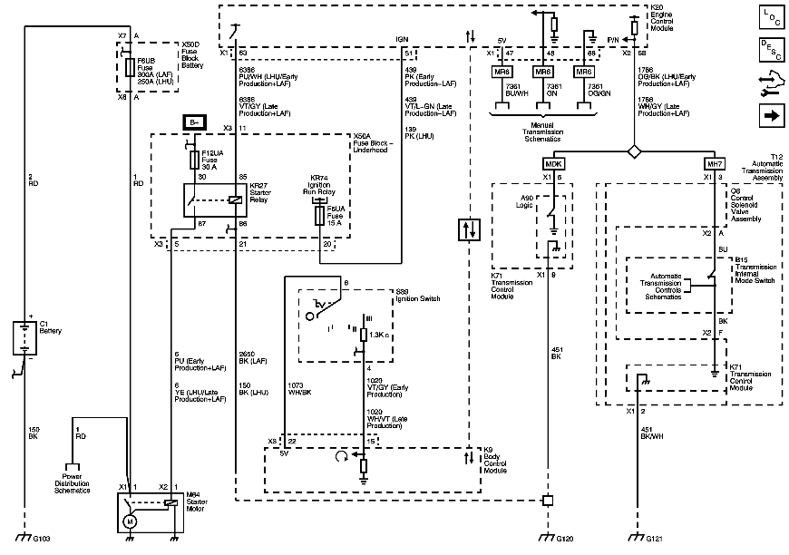
Starting charging (2)