Auto Electronics 101
  • Home
  • FORUM
  • Shopping Cart
  • Support

Login Form

  • Forgot your password?
  • Forgot your username?
  • Create an account

Main Menu

  • Automotive Repair Help
  • Electronics Repair Help
  • Locksmith Repair Help
  • Misc. Educational Material
  • Bench, Boot & In-Circuit Pinouts
  • Benchtop Power-up Pinouts
  • BIN File Decoding
  • Circuit Schematics
  • YouTube Public Playlists
  • Wiring Diagrams
    • Acura, Honda
    • Chrysler, Dodge, Jeep
    • Ford, Lincoln, Mercury
    • General Motors
    • Infiniti, Nissan, Subaru
    • Large Trucks
    • Mazda, Mazda USA
    • Mitsubishi

Web Shop

  • Electrical Components
  • J2534 Calibration Files
  • KESS Recovery Files
  • Memory Dumps
  • VMWare (Premade VMS)
  • PC Apps & Docs
  • Tools & Supplies

  1. You are here:  
  2. Wiring Diagrams
  3. Mazda, Mazda USA
  4. Mazda Tribute 2005-2007 wiring diagrams

Mazda Tribute 2005-2007 wiring diagrams

Parent Category: Wiring Diagrams
Category: Mazda, Mazda USA
  • wiring
  • schematics
  • diagrams
  • tribute

Four Wheel Drive-1
PATS-1
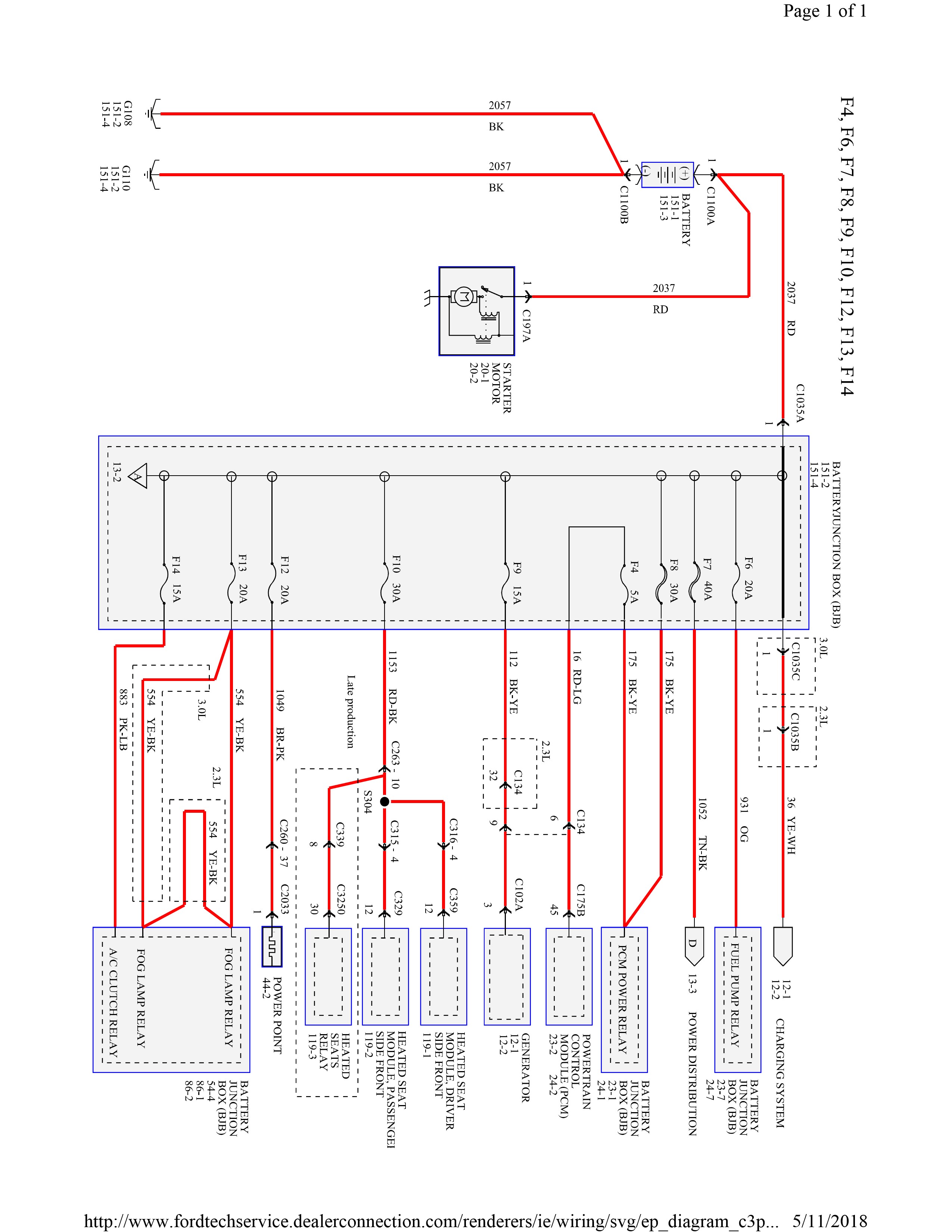
POWER DISTRUBUTION - 01-1
POWER DISTRUBUTION - 02-1
POWER DISTRUBUTION - 03-1
POWER DISTRUBUTION - 04-1
POWER DISTRUBUTION - 05-1
POWER DISTRUBUTION - 06-1
POWER DISTRUBUTION - 07-1
POWER DISTRUBUTION - 08-1
POWER DISTRUBUTION - 09-1
POWER DISTRUBUTION - 10-1
POWER DISTRUBUTION - 11-1
POWER DISTRUBUTION - 12-1
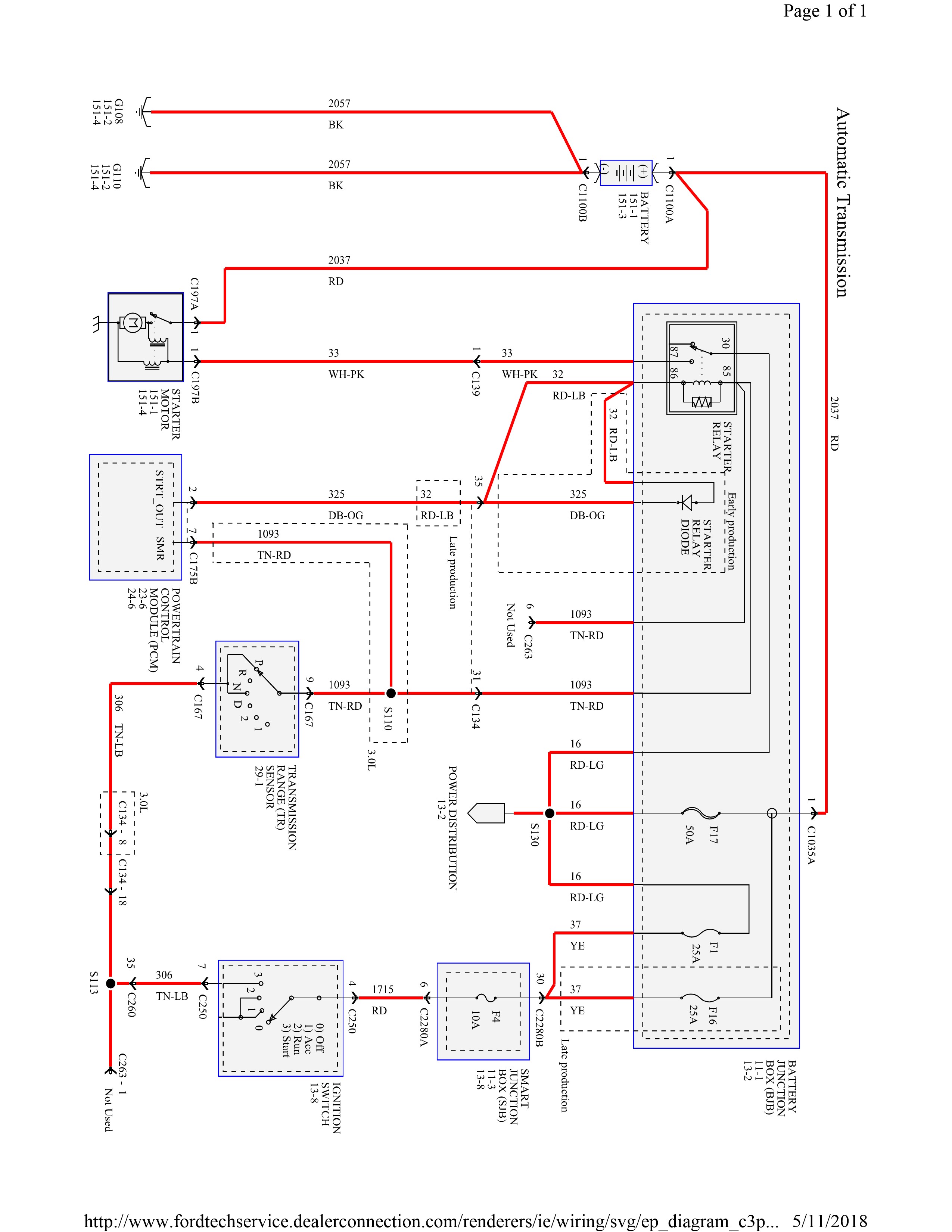
STARTING SYSTEM - 01-1
STARTING SYSTEM - 02-1
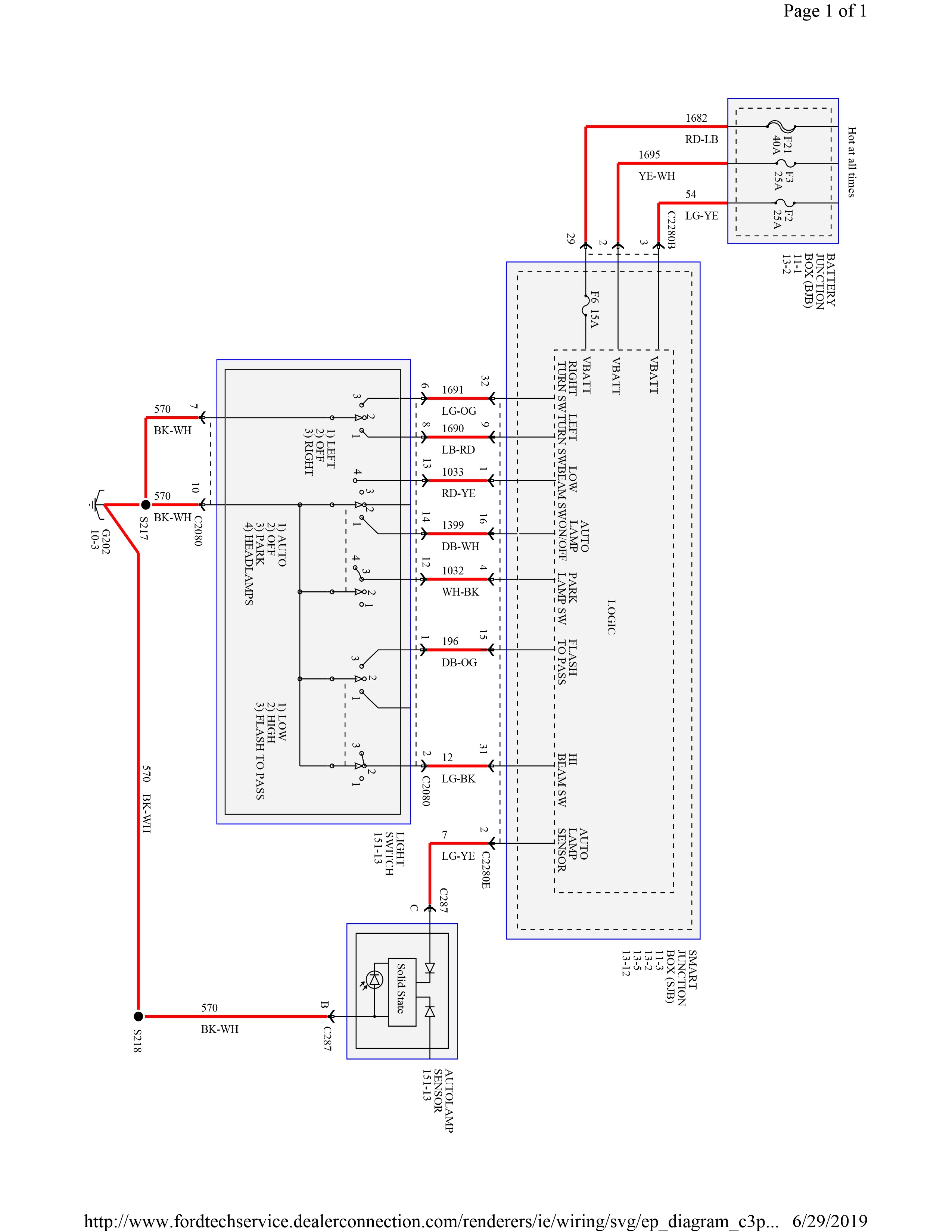
Auto lamps (1)
Auto lamps (2)
Auto lamps (3)
Charging (1)
Charging (2)
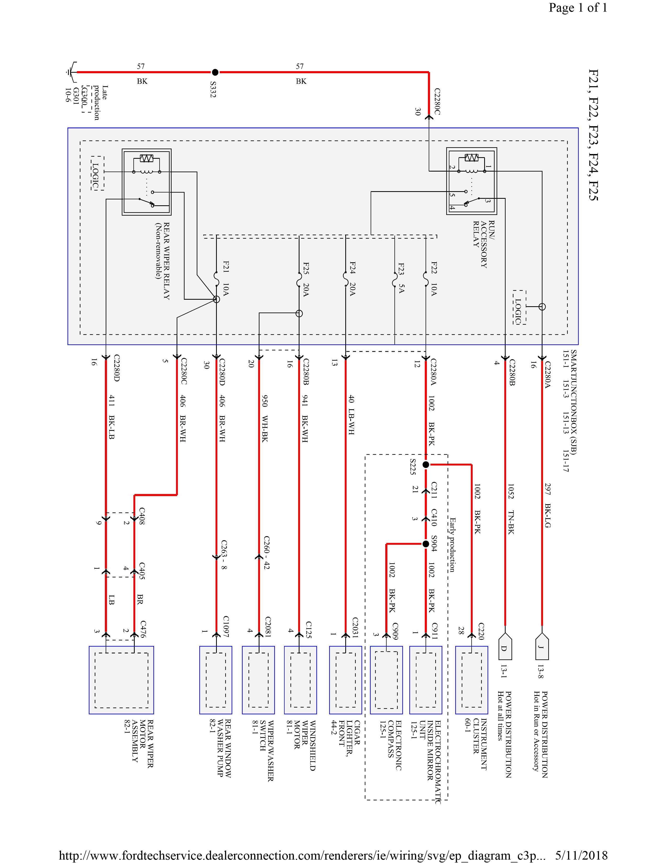
Cigar lighters-1
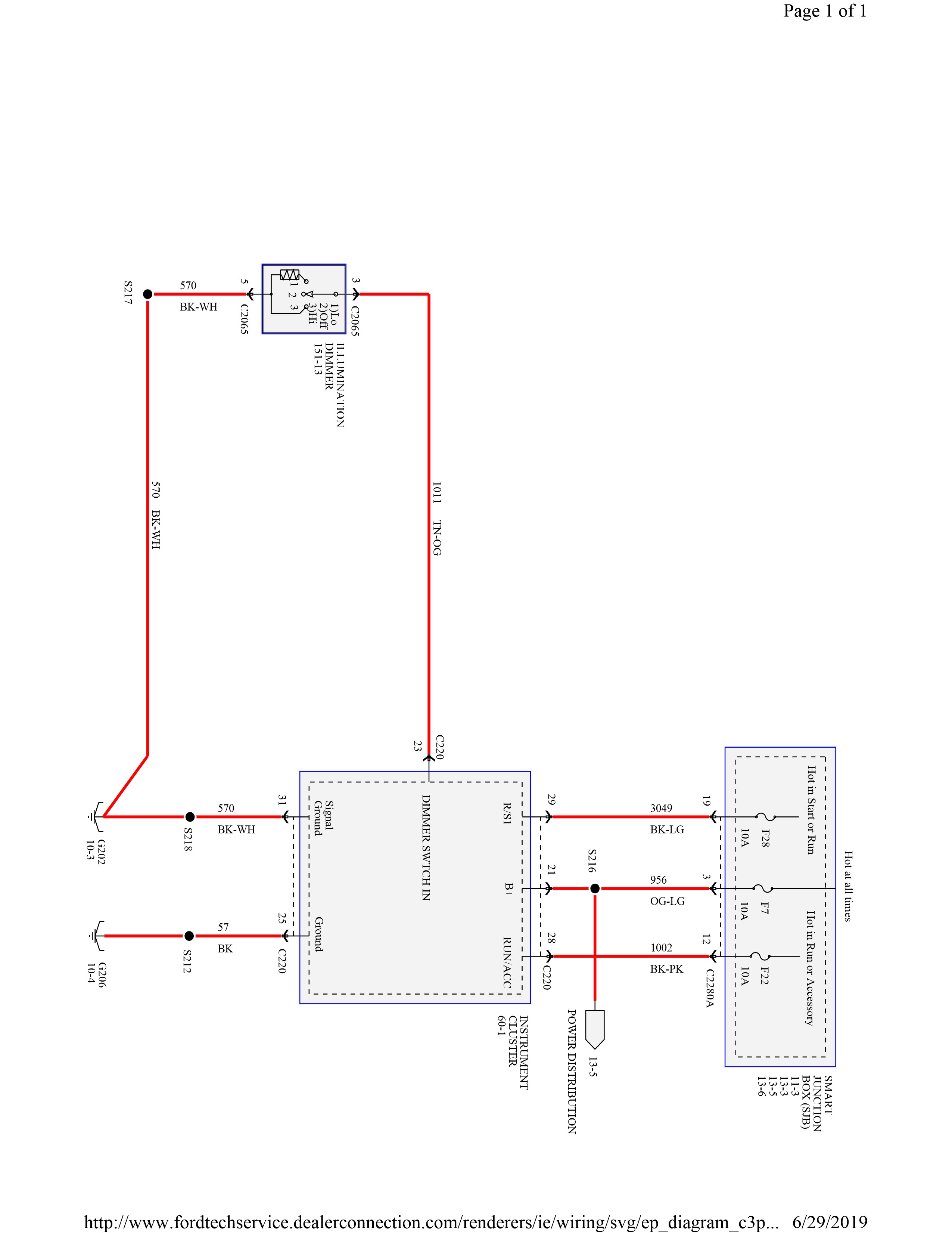
Cluster-panel illumination (1)
Cluster-panel illumination (2)
Cooling fans (1)
Cooling fans (2)
Engine controls 3 (1)
Engine controls 3 (2)
Engine controls 3 (3)
Engine controls 3 (4)
Engine controls 3 (5)
Engine controls 3 (6)
Engine controls 3 (7)
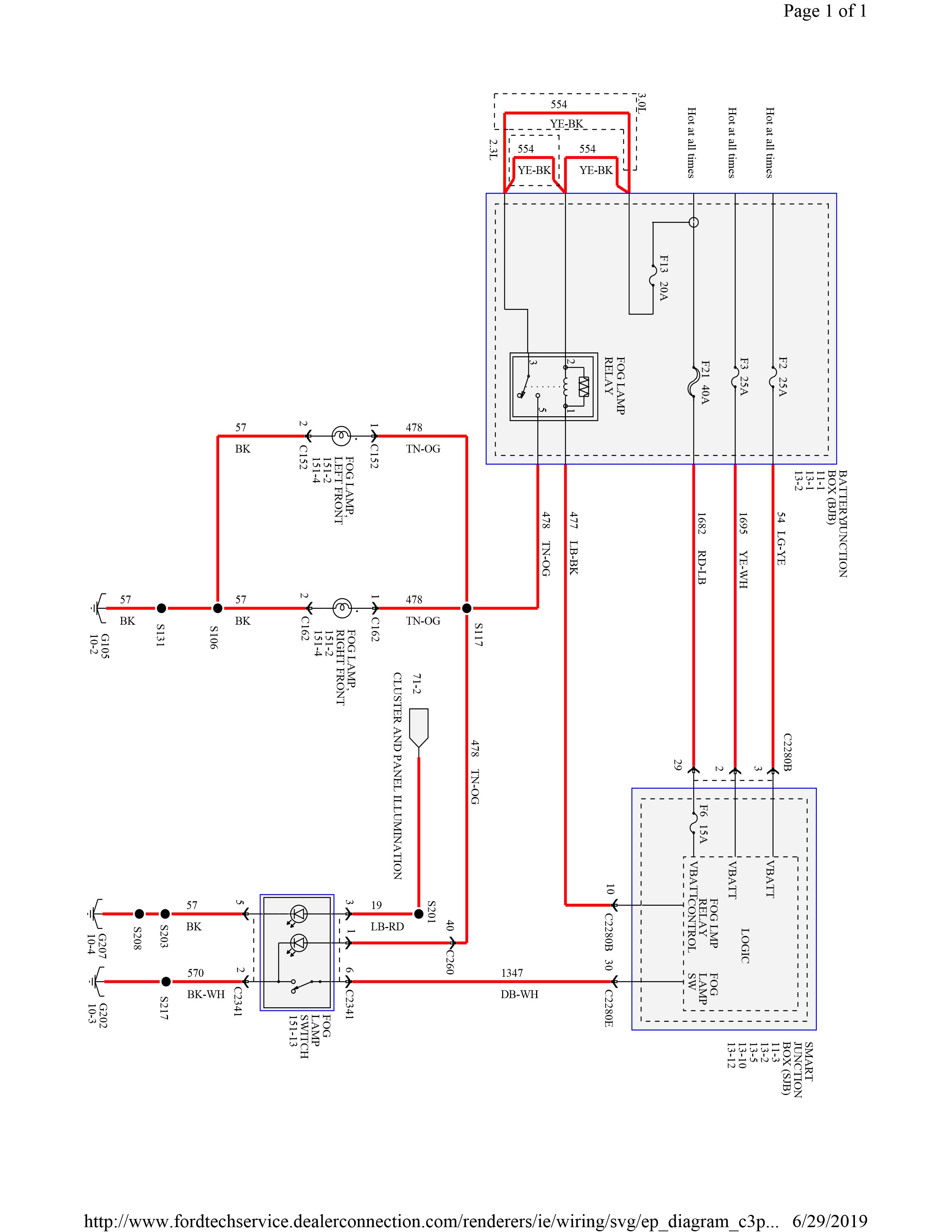
Fog lamps-1
Front wipers
Grounds (1)
Grounds (2)
Grounds (3)
Grounds (4)
Grounds (5)
Grounds (6)
Grounds (7)
Grounds (8)
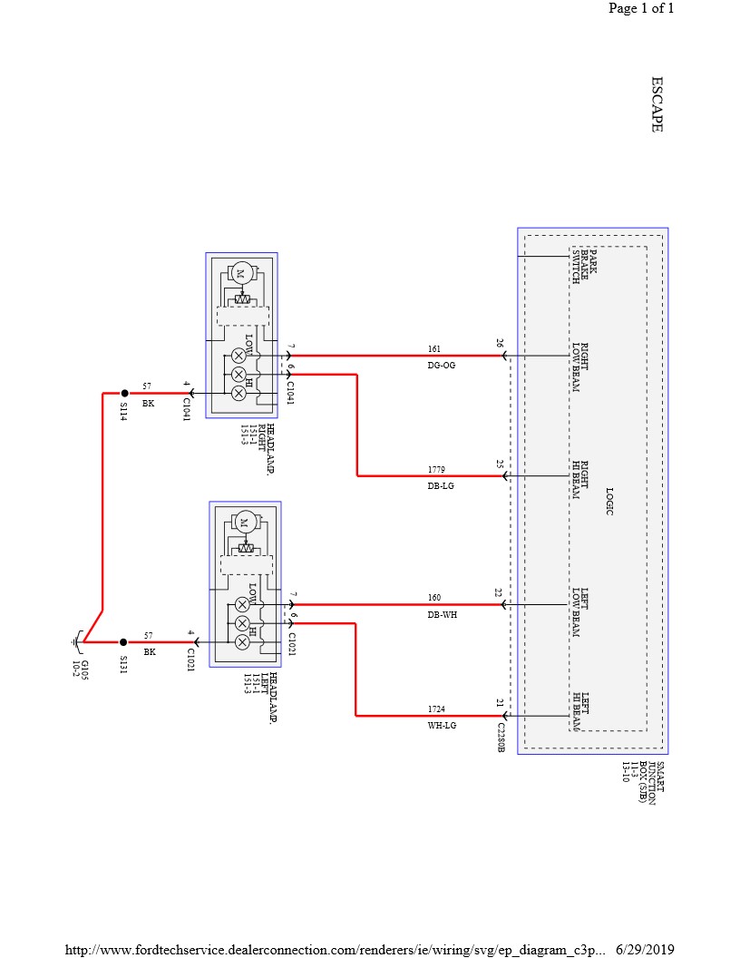
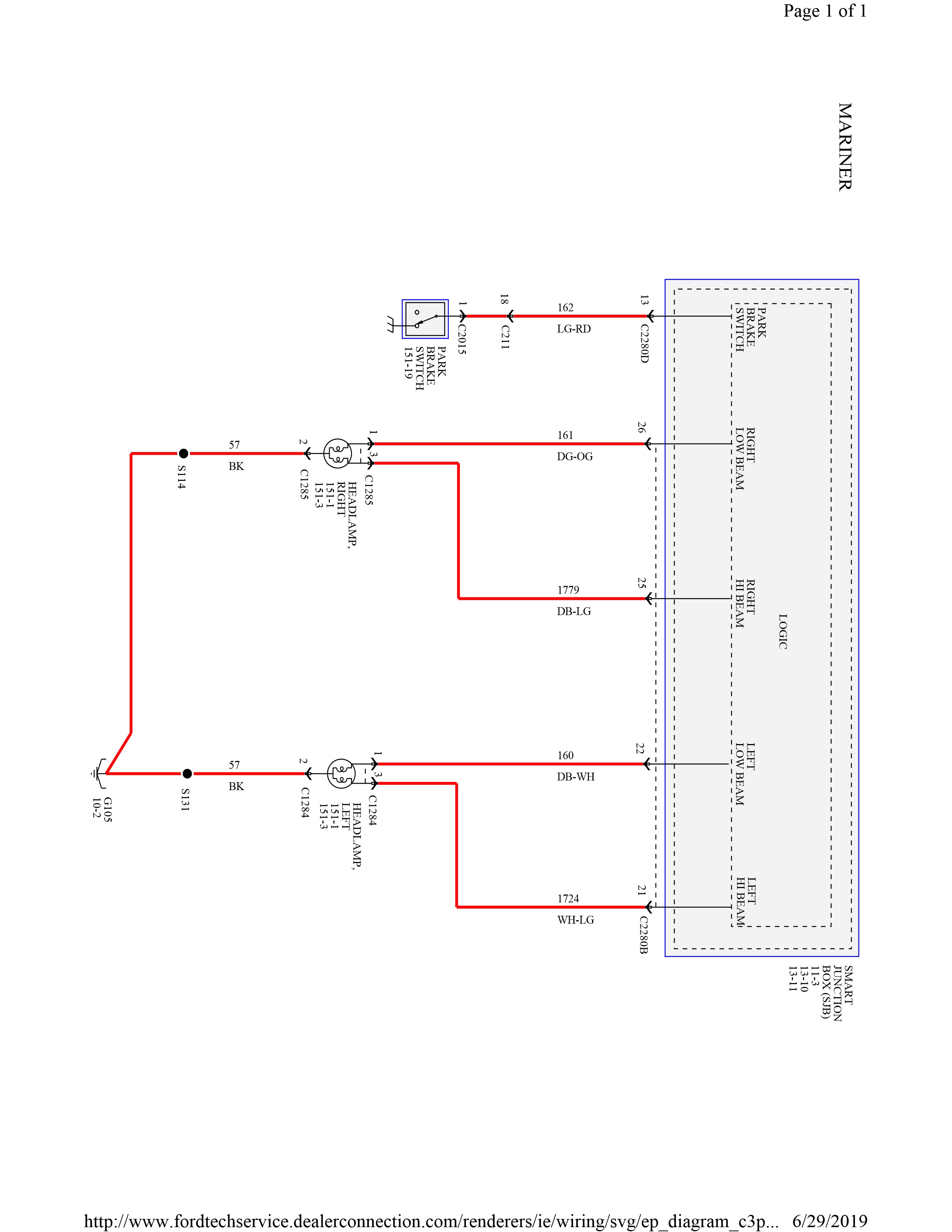
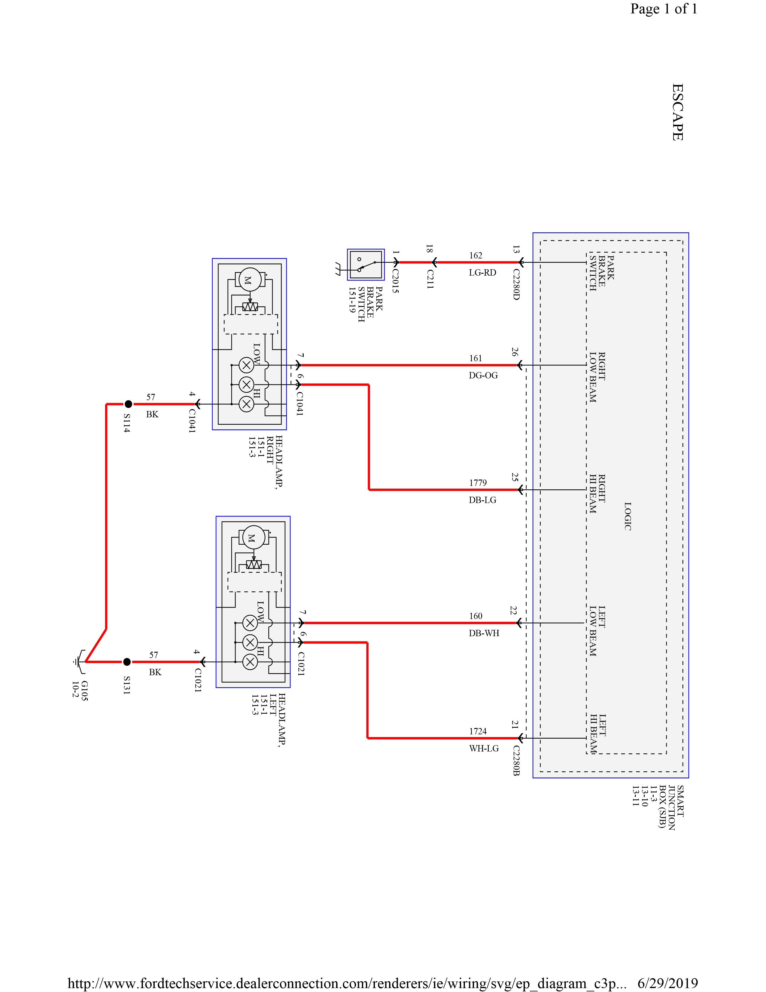
Headlamps (1)
Headlamps (2)
Headlamps (3)
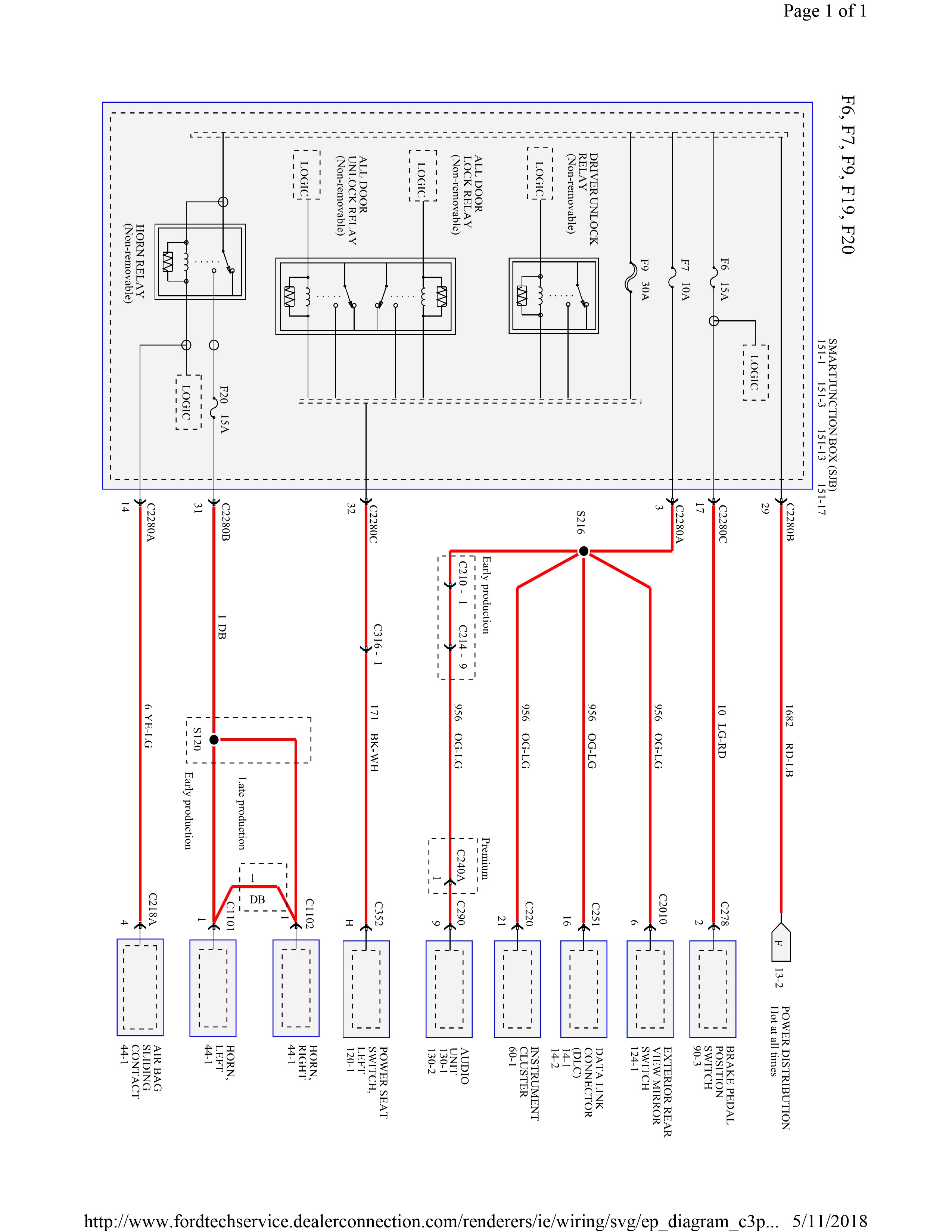
Horn-1
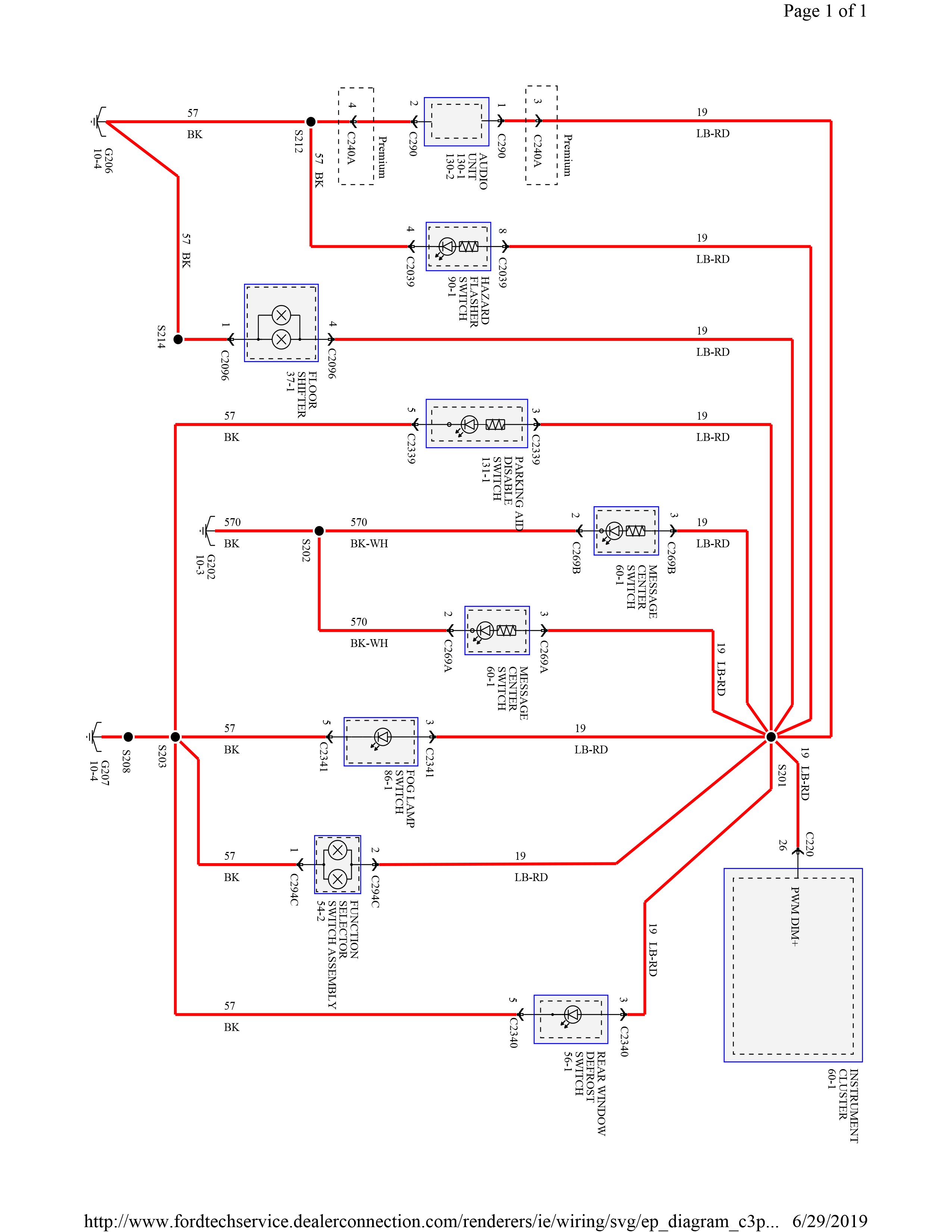
Instrument cluster (1)
Instrument cluster (2)
Lighting (1)
Lighting (2)
Lighting (3)
Manual climate control (1)
Manual climate control (2)
Manual climate control (3)
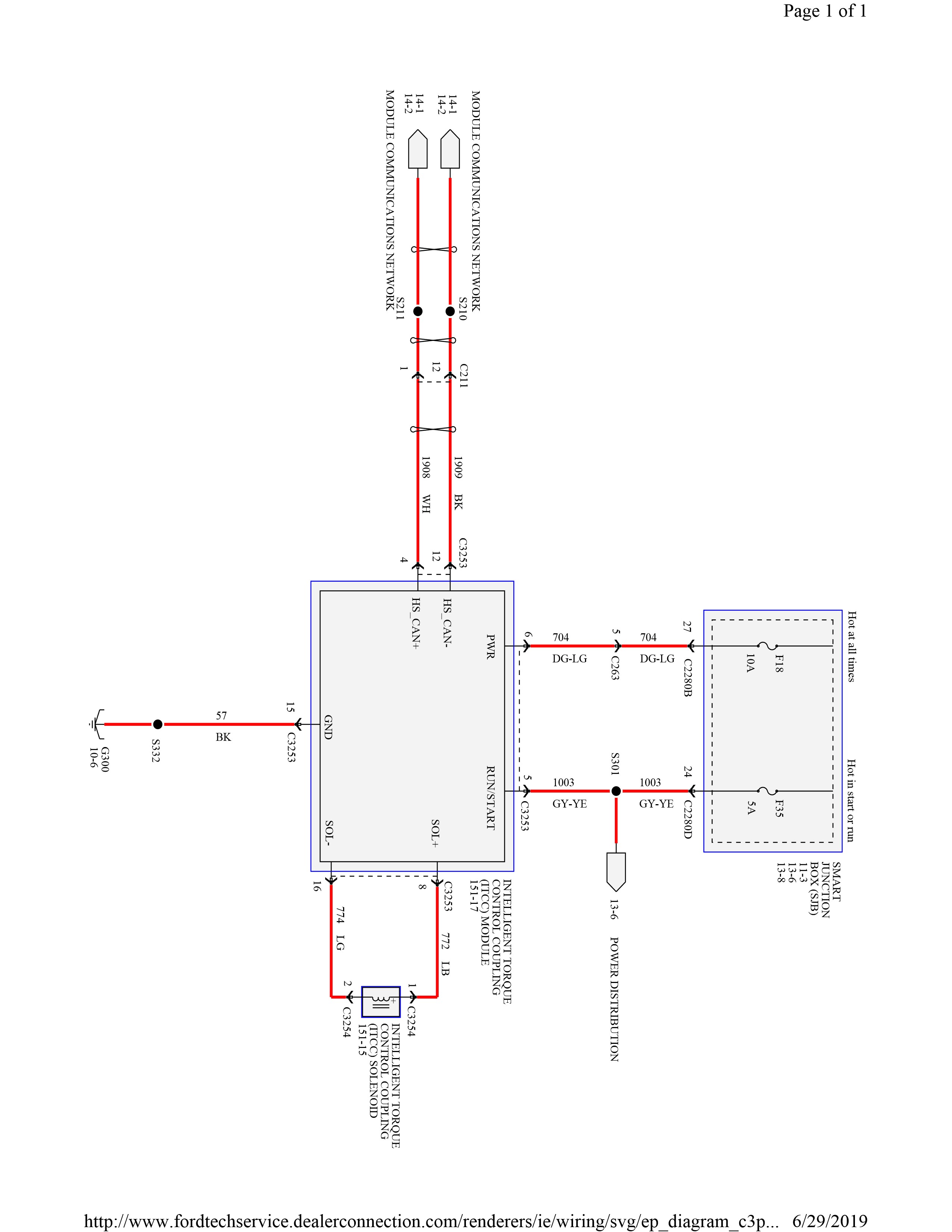
Module communication (1)
Module communication (2)
Multifunction control module (1)
Multifunction control module (2)
Multifunction control module (3)
Multifunction control module (4)
Multifunction control module (5)
Multifunction control module (6)
Multifunction control module (7)
Multifunction control module (8)
Multifunction control module (9)
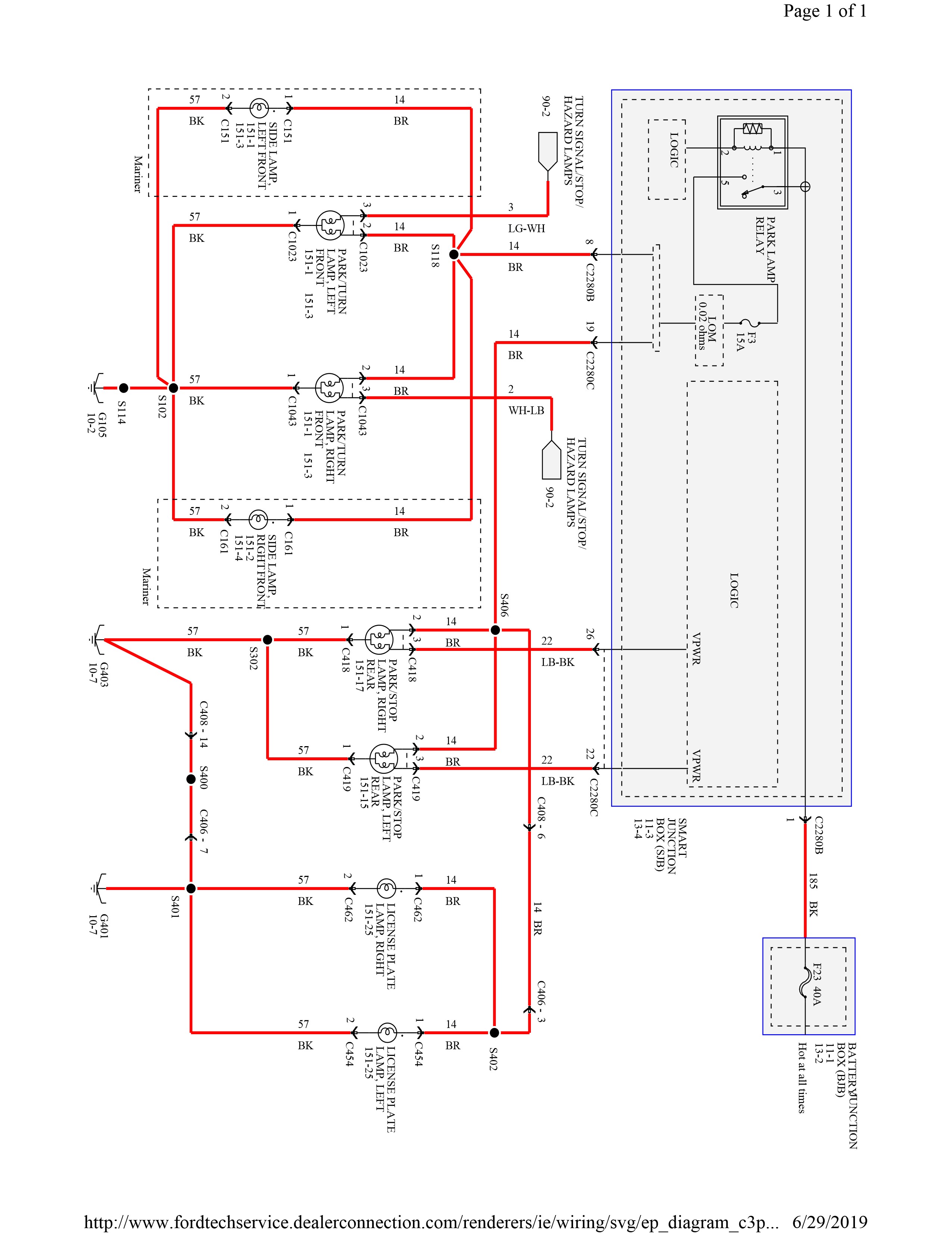
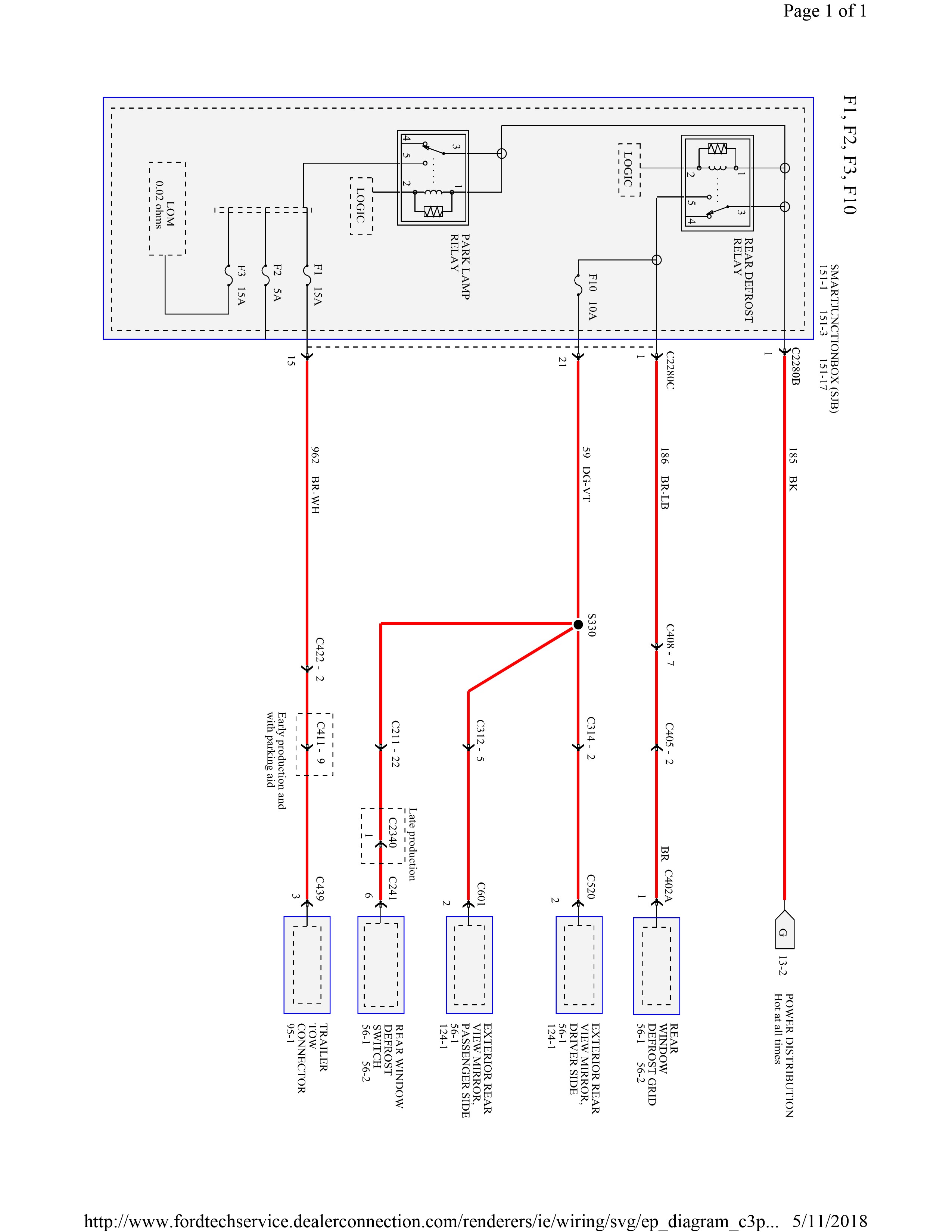
Parking lamps-1
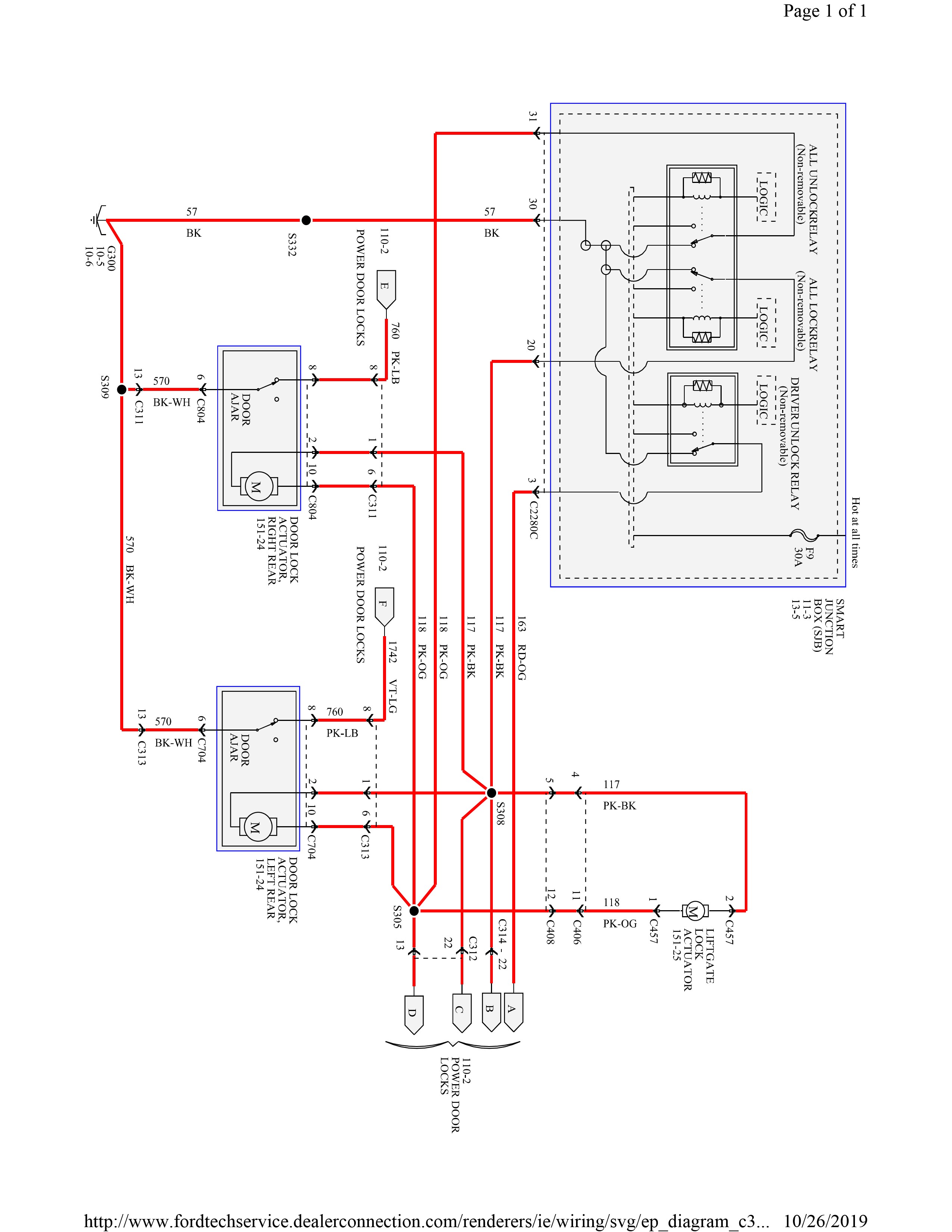
Power door locks (1)
Power door locks (2)
Power door locks (3)
Radio (1)
Radio (2)
Radio (3)
Rear wipers
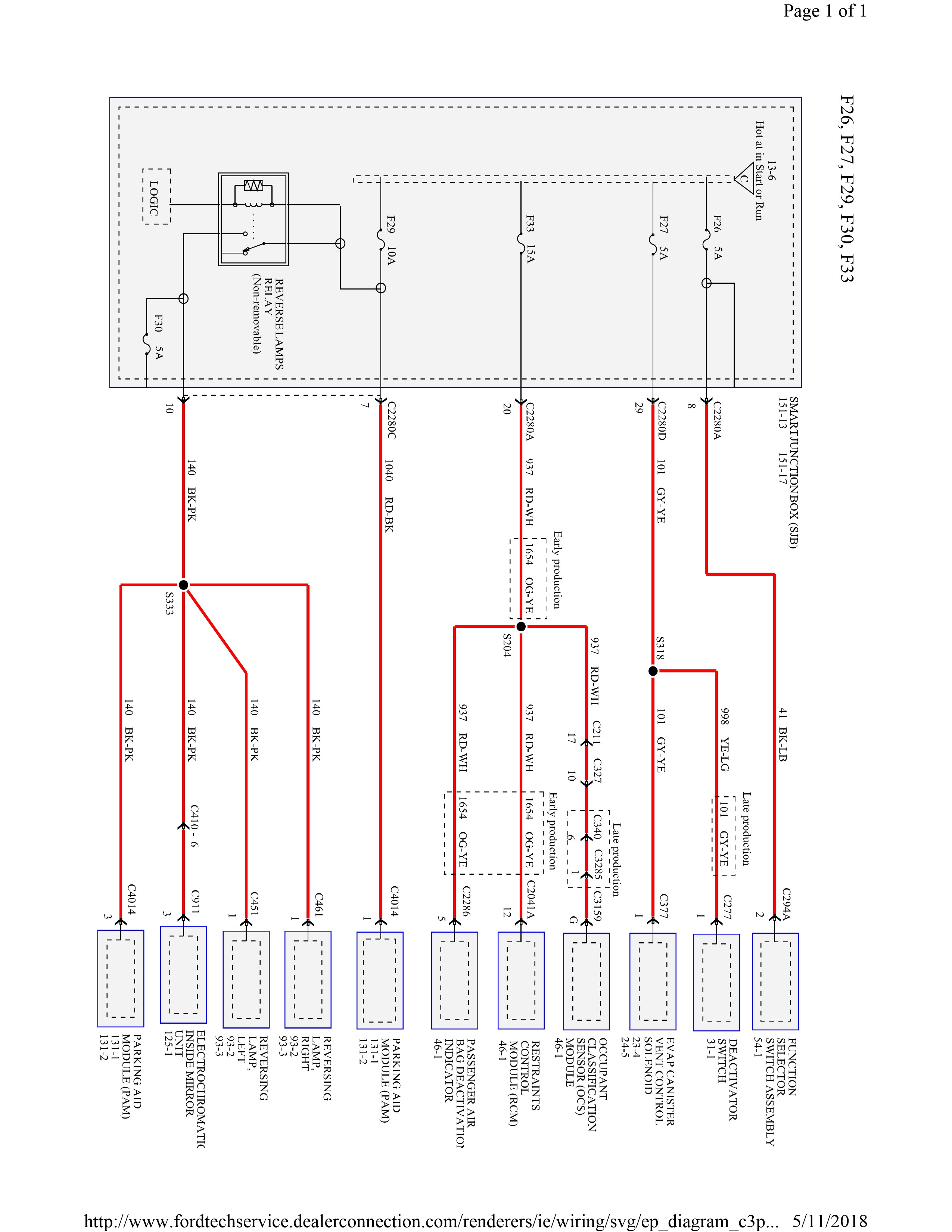
Reversing lamps 2-1
Reversing lamps-1
Speed control (1)
Speed control (2)
Speed control (3)
Stop lamps-1
Supplemental restrainy system (1)
Supplemental restrainy system (2)
Supplemental restrainy system (3)
Transmission controls (1)
Transmission controls (2)
Transmission controls (3)
Transmission controls (4)
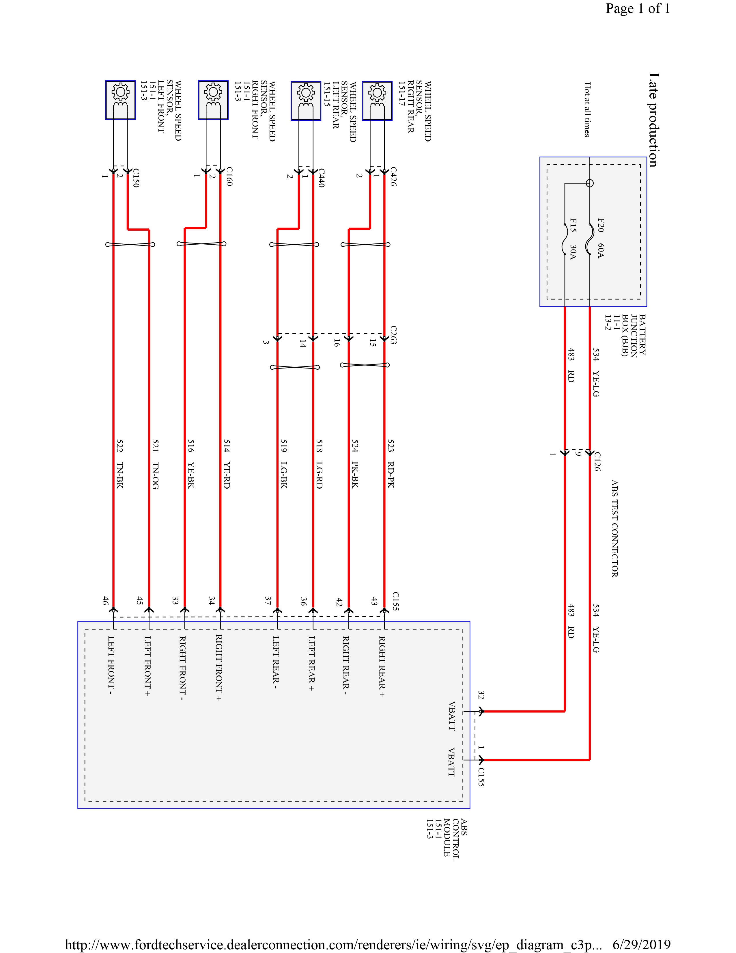
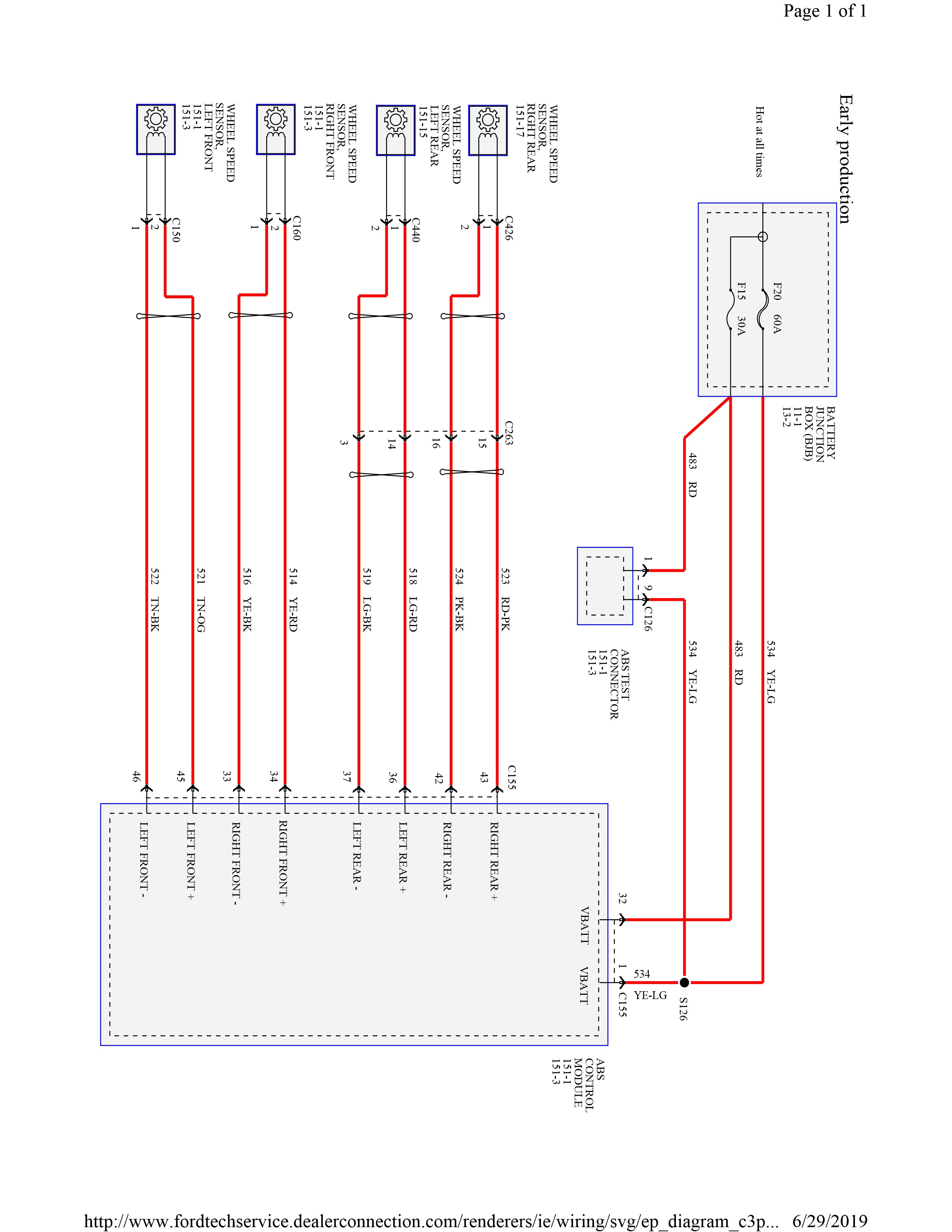
Vehicle dynamic systems (1)
Vehicle dynamic systems (2)
Vehicle dynamic systems (3)
Vehicle dynamic systems (4)
”